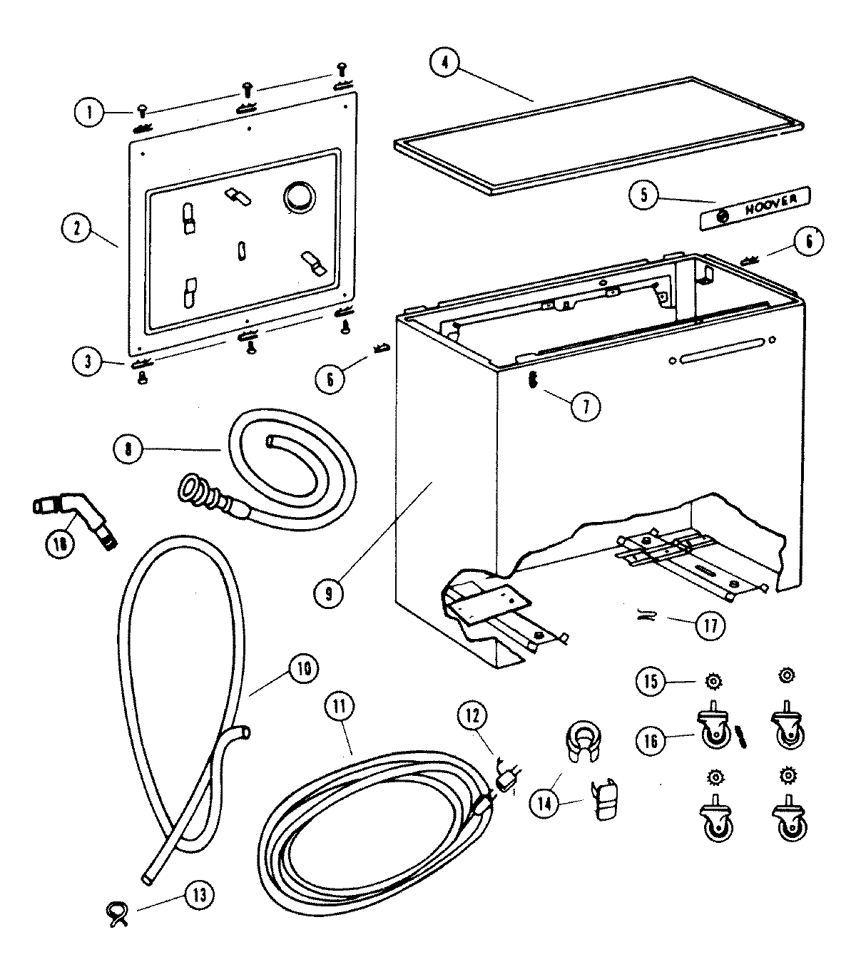
0519-30 01 – FILLHOSE