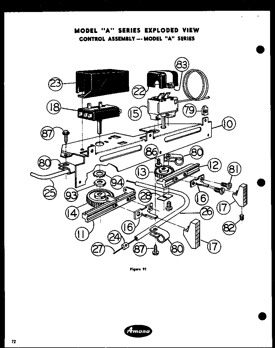
100A-30H 03 – Page 2admin2025-04-26T08:34:38+00:00100A-30H 03 – Page 2 ProductsPositionProductNIMAY A406550310MAY C423990211MAY C424010112MAY C424140113MAY B414500114MAY B414290115MAY B414830118MAY B414200118MAY B414470119MAY B414520127MAY A401050128MAY A037150129MAY C424230481MAY A028350182MAY A030610186MAY A036950186SEE NOTE GROUND WIRE, GREEN93MAY A001340194MAY A0013501