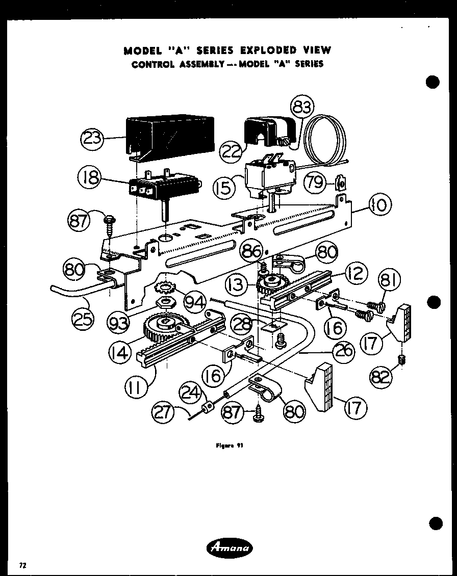
100A-3HN 03 – Page 2admin2025-04-26T08:34:23+00:00100A-3HN 03 – Page 2 ProductsPositionProductNIMAY A406550310MAY C423990111MAY C424010112MAY C424140113MAY B414500114MAY B414290115MAY B414830118MAY B414470118MAY B414200119MAY B414520127MAY A401050128MAY A037150129MAY C424230181MAY A028350182MAY A030610183MAY A404490186MAY A033410186SEE NOTE GROUND WIRE, GREEN93MAY A001340194MAY A0013501