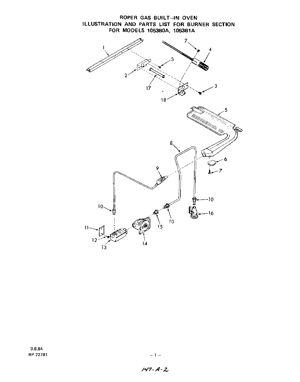
1053B0A 02 – BURNER