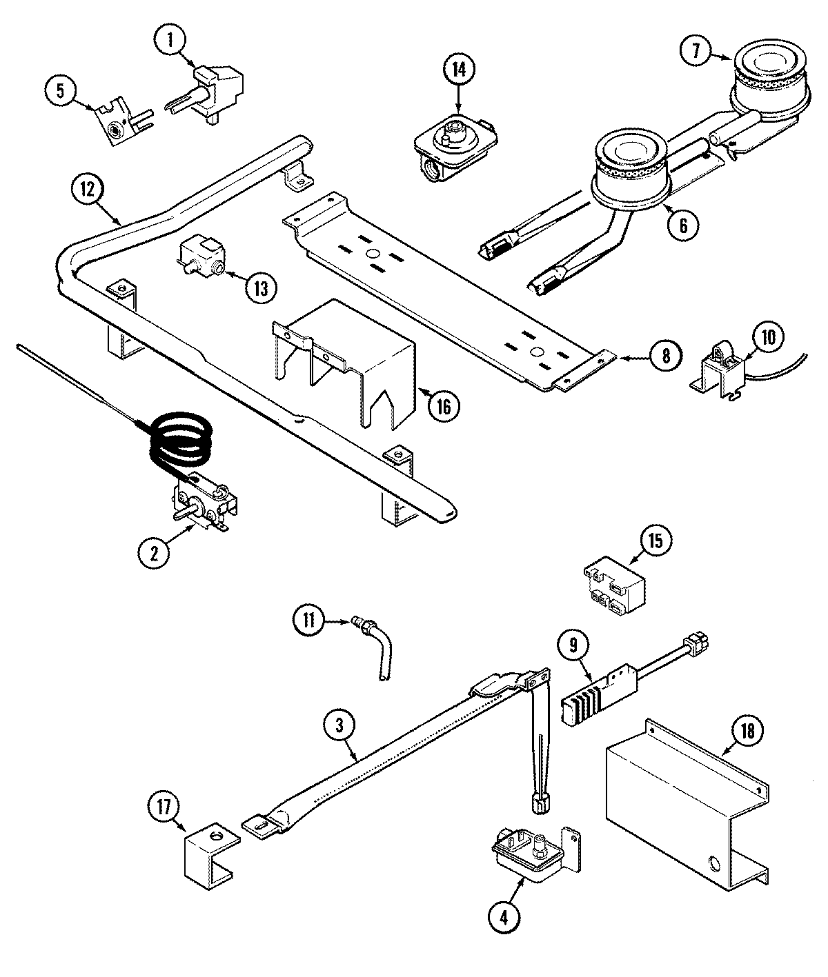
1111WAW 02 – GAS CONTROLSadmin2025-04-26T08:34:25+00:001111WAW 02 – GAS CONTROLS ProductsPositionProduct1MAY 7101P044-601MAY 7502P244-602W10828565 Whirlpool Screw2MAY 7404P062-604MAY 7501P136-604WP4159193 Whirlpool Screw5MAY 7403P318-606MAY 7505P173-607MAY 7505P172-608MAY 3807F354-809MAY 7432P076-6010MAY 7432P029-6010MAY 7432P028-6011MAY 3414F085-4412MAY 7513P143-6013MAY 7502P002-6014MAY 7510P049-6015MAY 7431P006-6016MAY 4005F320-5117MAY 3807F336-5118MAY 3807F369-4519MAY 5125A241-6019MAY 5185D189-60