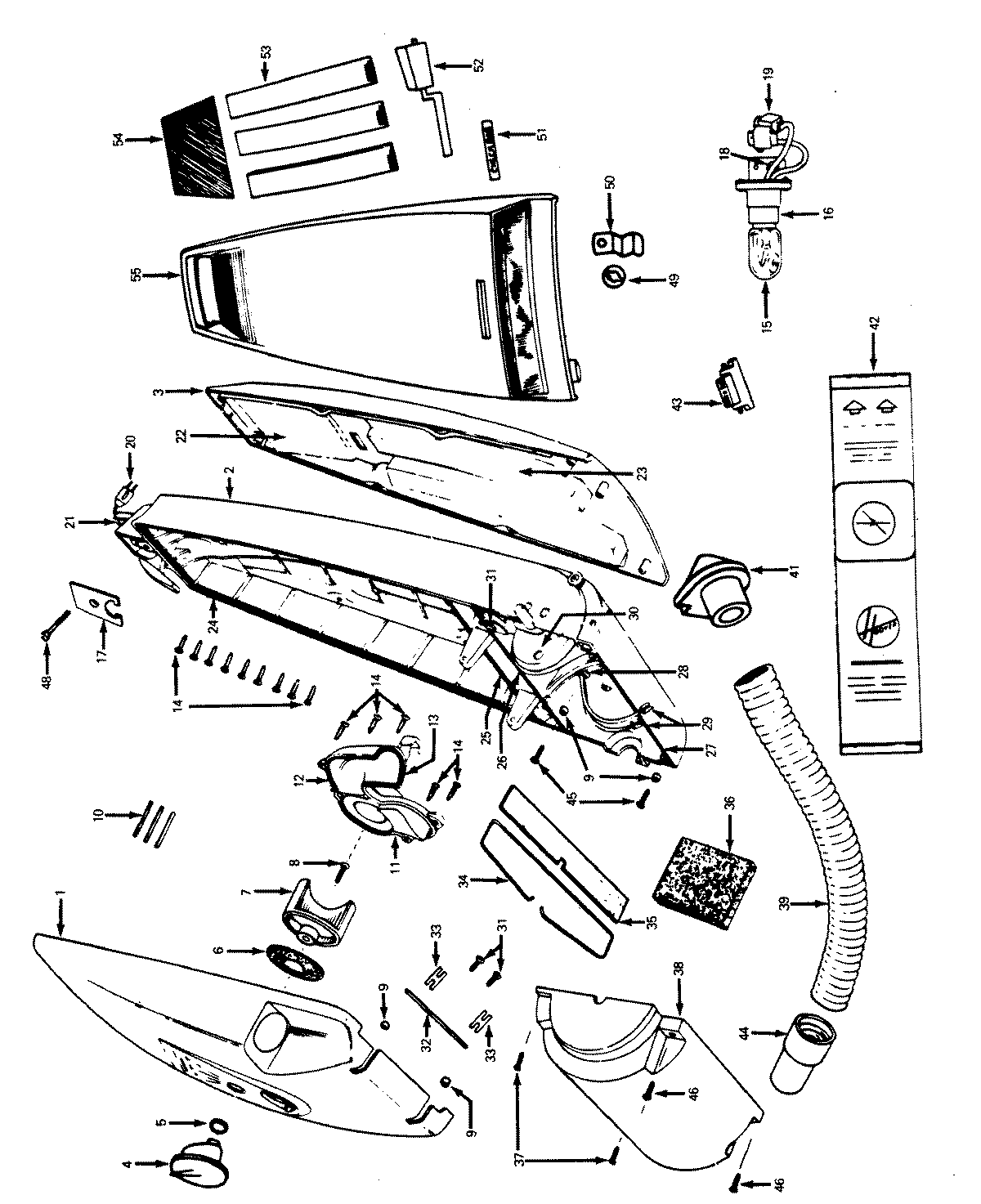
1149 06 – OUTERBAG