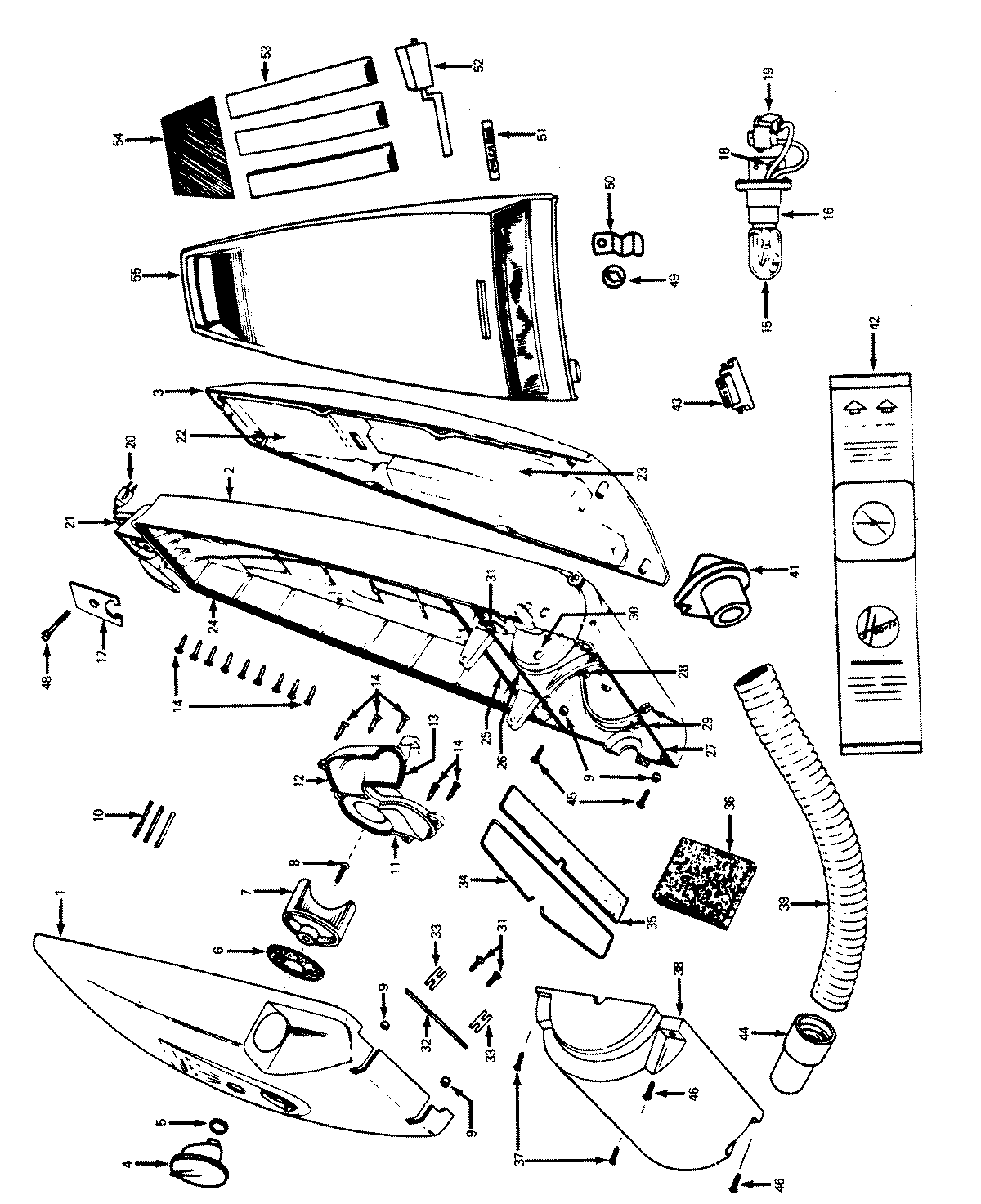
1157 06 – OUTERBAGadmin2025-04-26T08:55:49+00:001157 06 – OUTERBAG ProductsPositionProduct1MAY 422550461MAY 422550471MAY 422550481MAY 014922JM2MAY 162699JM2MAY 165836JM3MAY 372570443MAY 372570494MAY 384110265MAY 013301--6MAY 014507--7MAY 387110108MAY 641762--9MAY 017743--10MAY 012076--11MAY 014903BU12MAY 012516--13MAY 012556--15MAY 2731730716MAY 162423--17MAY 162008JM19MAY 012227--20MAY 012695--21MAY 162004--24MAY 012155--25MAY 012156--26MAY 012160--27MAY 012535--28MAY 012030--29MAY 160356--30MAY 012119--31MAY 012146--32MAY 012143--33MAY 012144--34MAY 012121--35MAY 012122--36MAY 012662--37MAY 012860--38MAY 012500JM38MAY 012500-T39MAY 4343105841MAY 3863800842MAY 4010005D42MAY 4010006D43MAY 014373JM43MAY 014373HH44MAY 13770JM-45MAY 015185--46MAY 2144700348MAY 162007--49MAY 160065--50MAY 3475500151MAY 162608CH52MAY 161469KY53MAY 161334--54MAY 012358--55MAY 4225600155MAY 163953CJ56MAY 012995--56MAY 2178140256MAY 4141200456MAY 3547400456MAY 162226CP56MAY 162005AY