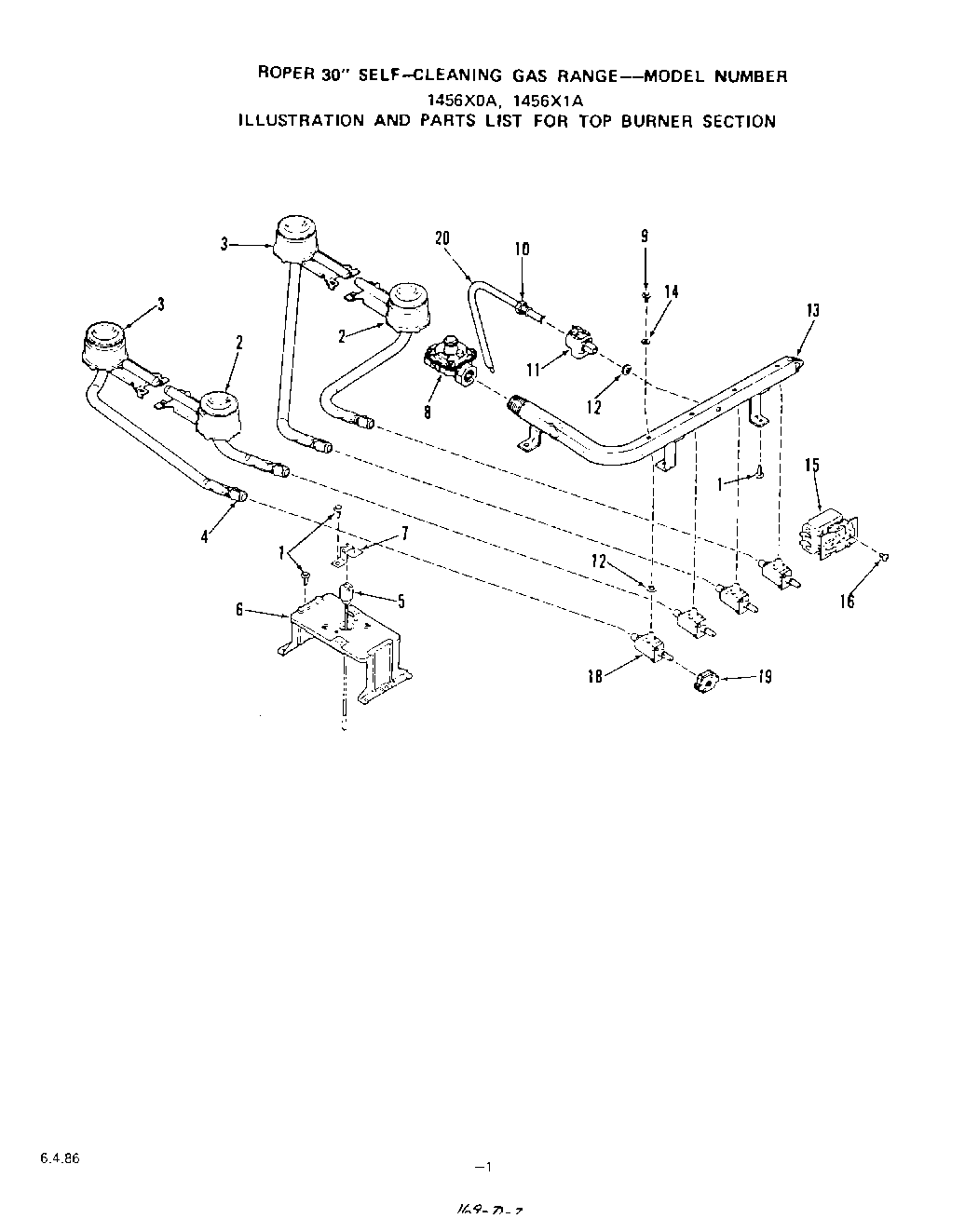
| 1 | Screw 10-16x7/16`` |
| 2 | Burner-Top Front (Inc.`sA) (Left) |
| 2 | Burner-Top Front (Inc.`sA) (Right) |
| 3 | Burner-Top Rear (Inc`s. 4) (Right) |
| 3 | Burner-Top Rear (Inc`s. 4) (Left) |
| 4 | Air Shutter |
| 5 | Left |
| 5 | Right |
| 6 | Support-Top Burner (Rt. or Lt.) |
| 7 | panel, side l.h. (almond panel, side r.h.) |
| 8 | Pressure Regulator |
| 9 | Mounting Screw (Inc`s 86) |
| 10 | Inverted Nut 3/8`` |
| 11 | Shut Off Valve |
| 12 | Silicone Rubber Gasket |
| 13 | Manifold Pipe |
| 14 | Silicone Rubber Gasket (For Key 26) |
| 15 | Thermostat-Oven |
| 16 | WPL 78565 |
| 18 | Gas Valve (4 Req) |
| 19 | Switch-Gas Valve (4 Req) |
| 20 | Tubing 3/8`` (Shut-Off Valve to Control Valve) |