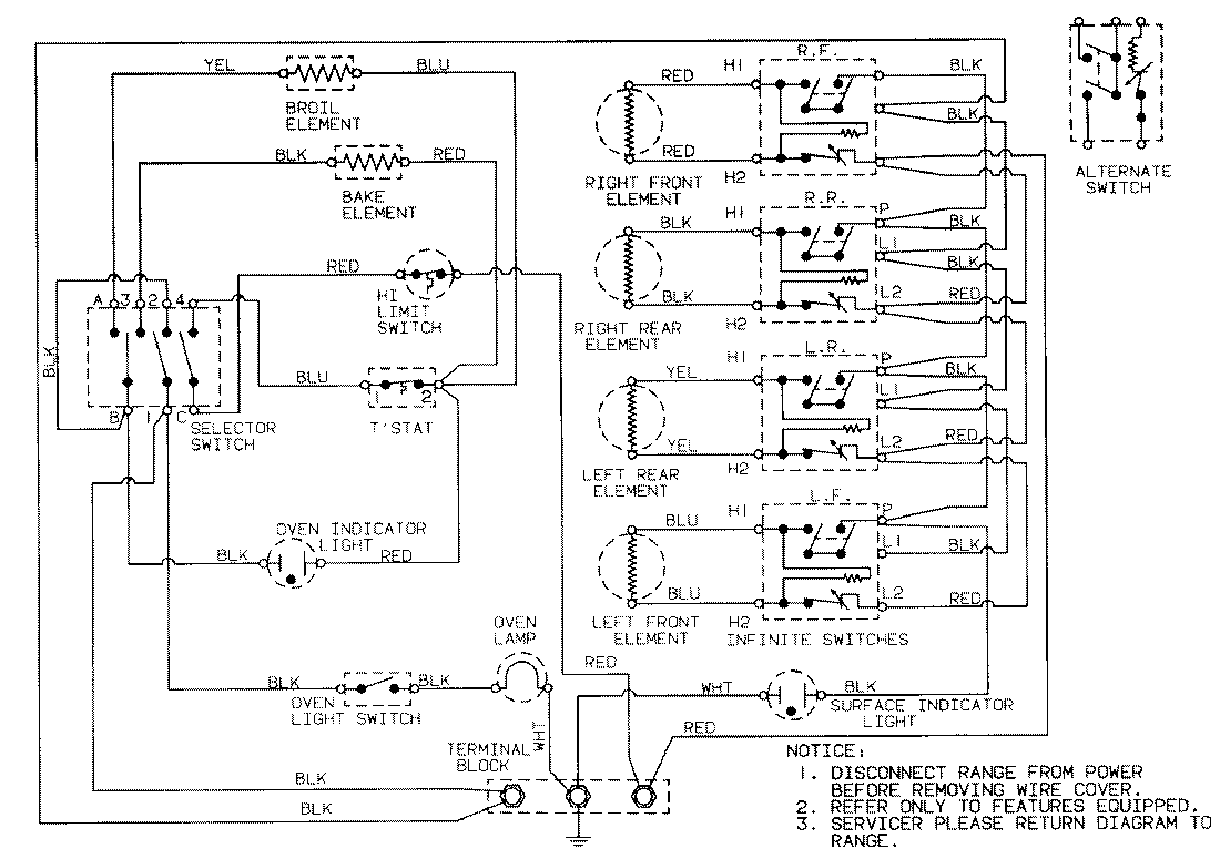
1500PAW 06 – WIRING INFORMATIONadmin2025-04-26T09:34:28+00:001500PAW 06 – WIRING INFORMATION ProductsPositionProductNIMAY 15001413