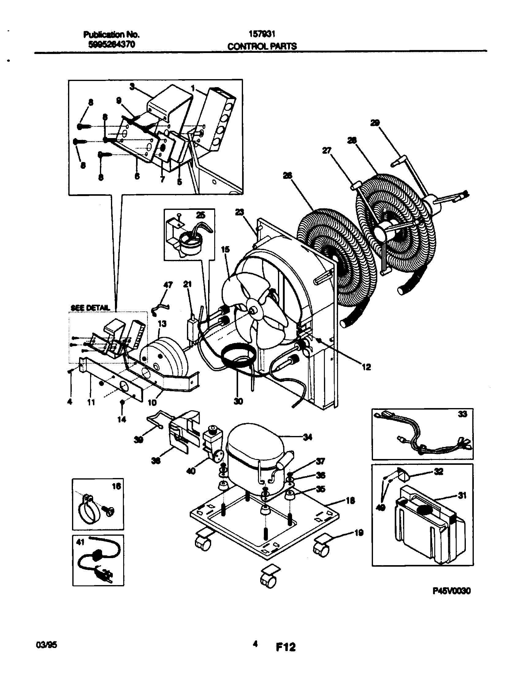
157931A 05 – CONTROL PARTSadmin2025-04-26T08:35:29+00:00157931A 05 – CONTROL PARTS ProductsPositionProduct1WCI 53032968233BRACKET-CONTROL4134178901 Frigidaire Screw8WCI 53030076209WCI 530330477410WCI 530329682811WCI 530329682912WCI 300280113WCI 530328983814WCI 0800748115FAN BLADE16WCI 530330369918WCI 530330350219WCI 530327527821WCI 530801643723WCI 530330350125WCI 530330084026WCI 301745827CLAMP-EVAPORATOR INNER28WCI 301795429CLAMP-EVAPORATOR OUTER30CAPILLARY TUBE-CUT TO 25``31WCI 530330567132WCI 530327252033HARNESS34WCI 530327187835WCI 530300177736WASHER-COMPRESSOR37NUT-COMPRESSOR38COVER-TERMINAL39STRAP-COVER40WCI 530300302041CORD-POWER47WCI 32710000149WCI 5303296826