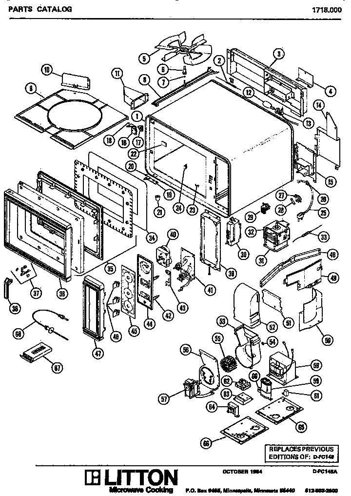
1718.000 01 – Page 7admin2025-04-26T09:38:34+00:001718.000 01 – Page 7 ProductsPositionProductNIMAY M95D5NIMAY M94D337NIMAY M94D449NIMAY M95D21NIMAY M95D11NIMAY M13D431MAY M77D1332MAY M4D1023MAY M65D3074MAY M7D7415MAY M35D386MAY M2D5717MAY M2D6648MAY M2D5798MAY M20D2519MAY M45D3410MAY M65D26611MAY M1D61211MAY M65D30612MAY M9D10713MAY M5D36614MAY M53D5715MAY M65D30816MAY M8D29817MAY M8D29918MAY M2D58319MAY M8D30019MAY M1D88520MAY M2D58421MAY M2D54721MAY M1D89122MAY M2D66823MAY M13D223MAY M50D4324MAY M2D60125MAY M1D5625MAY M1D8425MAY M1D36825MAY M26D2726MAY M2D65527MAY M1D32927MAY M1D36027MAY M4D3928MAY M4D3429MAY M14D24729MAY M1D61529MAY M1D59829MAY M1D61730MAY M1D88830MAY M14D25331MAY M1D61931MAY M57D3732MAY M2D29633MAY M4D10134MAY M51D5835MAY M70D11136MAY M70D10336MAY M1D74837MAY M2D67138MAY M11D7338MAY M7D74039MAY M7D73440MAY M30D8340MAY M1D66641MAY M22R5641MAY M1D18442MAY M1D6042MAY M2D67043MAY M8D25444MAY M7D73545MAY M7D74246MAY M6D29847MAY M1D91247MAY M7D73247MAY M2D57548MAY M20D25248MAY M1D90949MAY M65D30450MAY M65D30551MAY M65D30352MAY M65D30253MAY M65D26853MAY M1D48354MAY M1D89255MAY M35D3756MAY M20D21057MAY M12D9057MAY M1D13657MAY M1D73158MAY M1D47958MAY M60D12759MAY M10D10360MAY M1D76360MAY M20D16760MAY M1D52860MAY M1D50361MAY M1D13861MAY M1D23961MAY M1D961MAY M3D7162MAY M1D59062MAY M16D9363MAY M8D30164MAY M60D12865MAY M53D5666MAY M53D5566MAY M1D62566MAY M1D47567MAY M5D35067MAY M27D35167MAY M5D35168MAY M90D23