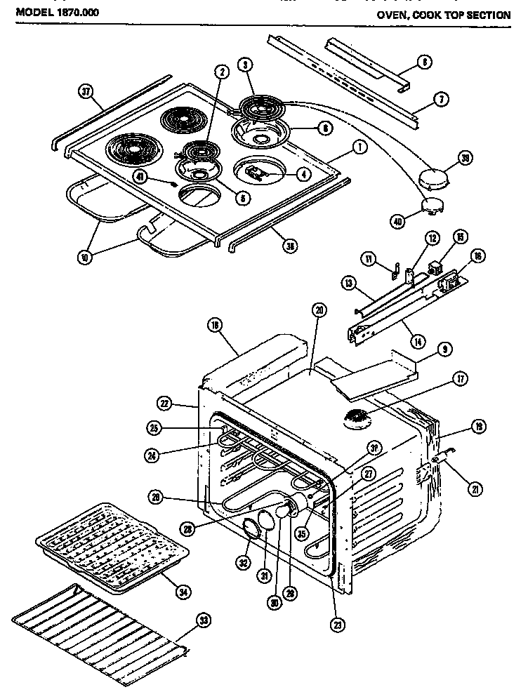
1870.000 03 – OVENadmin2025-04-26T09:40:23+00:001870.000 03 – OVEN ProductsPositionProduct1MAY M82D1351MAY M82D1331MAY M82D1321MAY M82D1311MAY M82D1342MAY M61D253MAY M61D264MAY M5D1174MAY M1D1295MAY M44D116MAY M44D127MAY M52D918MAY M8D1649MAY M65D1889MAY M1D48510MAY M44D1610MAY M1D79211MAY M2D39111MAY M1D80712MAY M1D80612MAY M1D77912MAY M14D19013MAY M20D13314MAY M1D47114MAY M20D13415MAY M16D4116MAY M1D59116MAY M8D7917MAY M67D2018MAY M63D2119MAY M63D2320MAY M77D8721MAY M5D11422MAY M82D3922MAY M1D28022MAY M1D53123MAY M25D4024MAY M61D4425MAY M52D7226MAY M1D65826MAY M1D65326MAY M61D4327MAY M2D38728MAY M20D6929MAY M5D11330MAY M9D4931MAY M6D9332MAY M1D53232MAY M7D37933MAY M67D934MAY M67D2835MAY M20D7836MAY M1D69537MAY M75D5338MAY M75D5239MAY M2D26740MAY M2D32241MAY M1D794