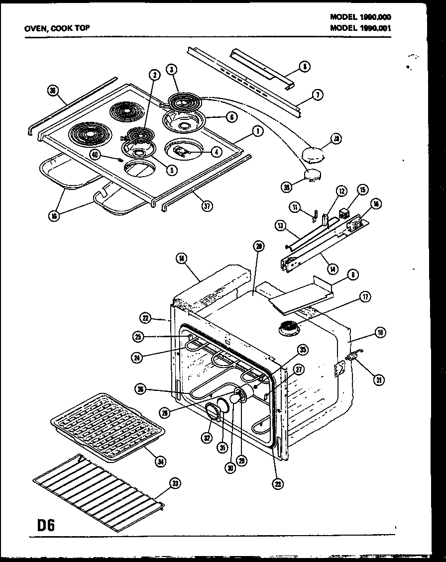
1990.001 03 – OVENadmin2025-04-26T09:40:12+00:001990.001 03 – OVEN ProductsPositionProduct1MAY M82D1341MAY M82D1331MAY M82D1311MAY M82D1321MAY M82D1352MAY M61D253MAY M61D264MAY M1D1294MAY M5D1175MAY M44D116MAY M44D127MAY M52D918MAY M8D1649MAY M65D1889MAY M1D47510MAY M1D79210MAY M44D1611MAY M2D39111MAY M1D80712MAY M1D80612MAY M1D77912MAY M14D19013MAY M20D13314MAY M1D47114MAY M20D13415MAY M1D79115MAY M16D6516MAY M8D7916MAY M1D59117MAY M67D2019MAY M63D2420MAY M77D8721MAY M5D11422MAY M1D28022MAY M1D53122MAY M82D3923MAY M25D4024MAY M61D4425MAY M52D7226MAY M1D65826MAY D61D4327MAY M2D38728MAY M20D6929MAY M5D11330MAY M9D4931MAY M6D9332MAY M7D37932MAY M1D80233MAY M67D934MAY M67D2835MAY M1D69536MAY M75D5337MAY M75D5238MAY M2D26739MAY M2D32240MAY M1D794