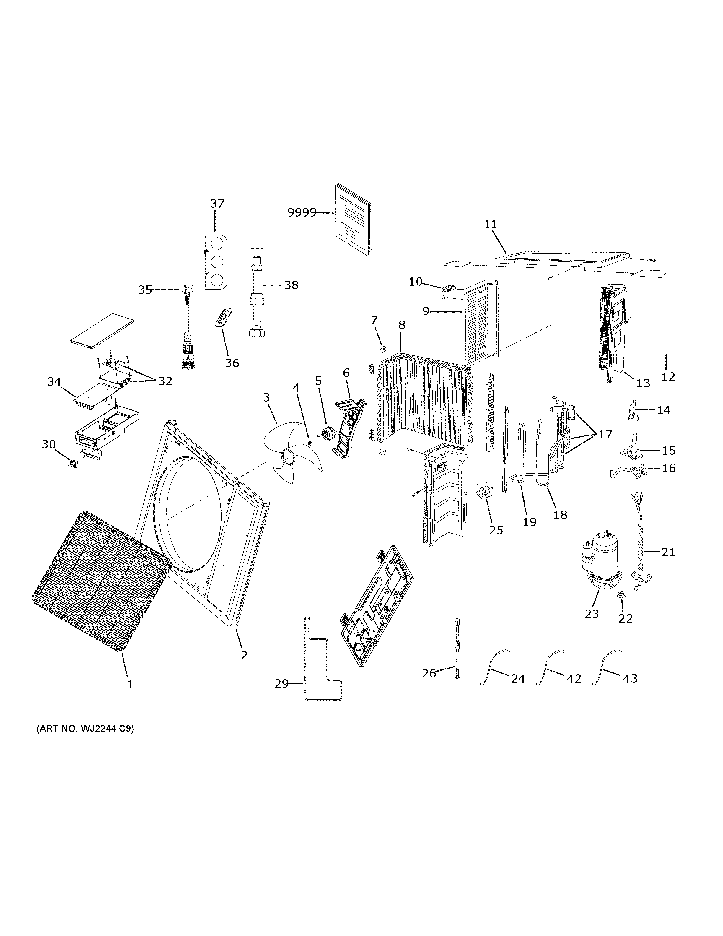
1U09EH2VHE1 ROOM AIR CONDITIONERadmin2025-04-26T08:34:24+00:001U09EH2VHE1 ROOM AIR CONDITIONER ProductsPositionProduct1GRILLE2WJ76X23212 GE Casing Assembly3FAN BLADE4WJ01X22974 GE Flange Nut5OUTDOOR FAN MOTOR6WJ65X23001 GE Bracket Outdoor Fan Motor7WJ01X23219 GE Sensor Clip8CONDENSER9WJ71X23215 GE Left Side Panel10WJ01X24664 GE Handle11TOP COVER12WJ76X23007 GE Valve Cover13RIGHT SIDE PANEL14WJ53X26455 GE EEV Valve15WJ53X24973 GE Liquid Service Valve16WJ53X24975 GE Vapor Service Valve17WJ53X26454 GE 4-Way Valve18DISCHARGE TUBE19WJ53X26452 GE Suction Tube21WJ35X26436 GE Outdoor Harness Wire22WJ01X26442 GE Compressor Nut23COMPRESSOR24WJ26X23009 GE Suction Sensor25WJ27X23157 GE Reactor26COMPRESSOR HEATER29WJ27X24665 GE Heater Basepan30WJ27X26435 GE Terminal Block32WJ26X27117 GE Inverter Assembly34WJ26X28293 GE Power Control Board35RJ4536WJ76X27114 GE Cover37WJ65X27113 GE Bracket Strain Relief38WJ01X27116 GE 1/2" X 3/8" Adapter42WJ26X22984 GE Sensor Assembly Amb/Dis/Coil43WJ26X23334 GE Sensor Pipe9999PM INSTALL INSTRUCTIONS9999PM Installation Manual