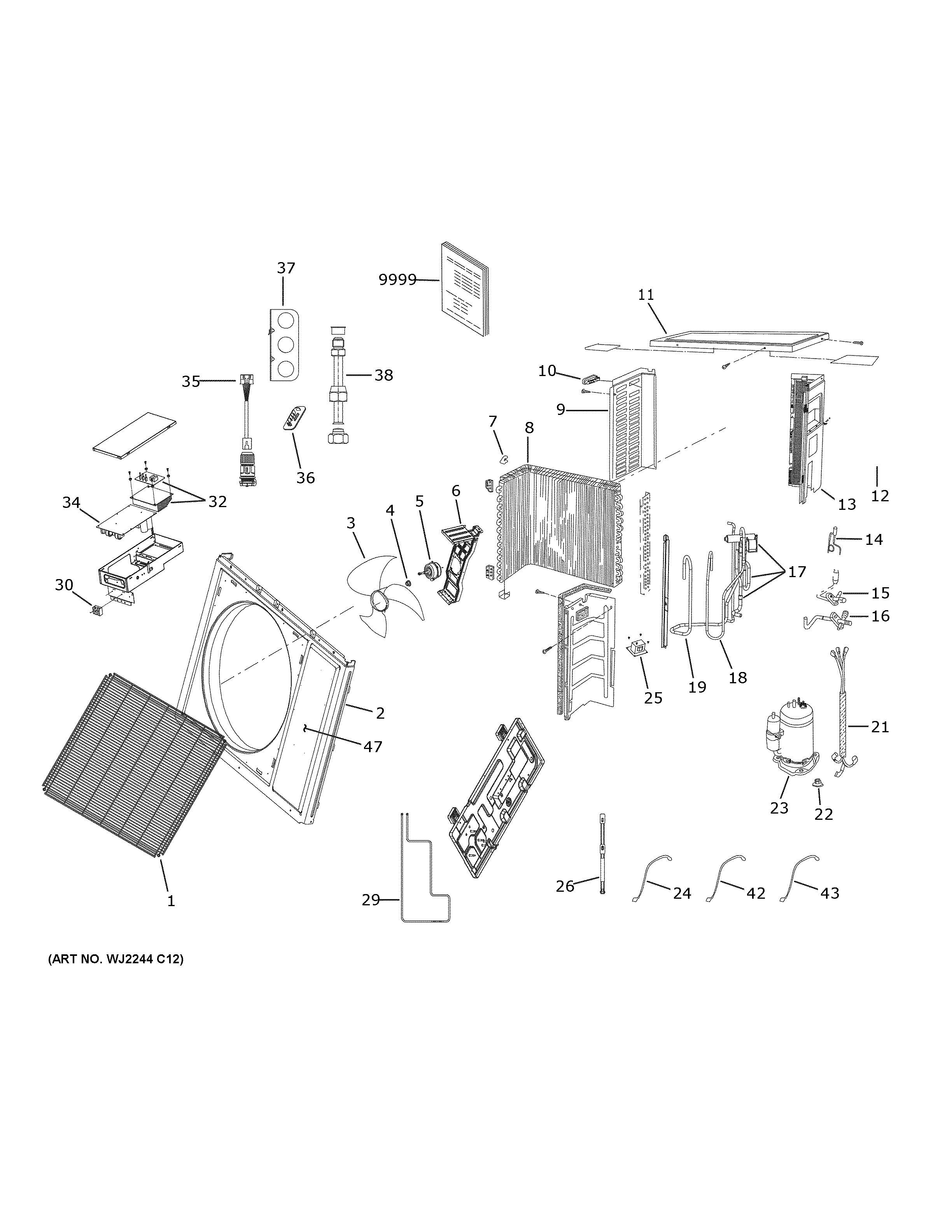
1U18EH2VHD1 ROOM AIR CONDITIONERadmin2025-04-26T08:34:35+00:001U18EH2VHD1 ROOM AIR CONDITIONER ProductsPositionProduct1GRILLE2WJ76X23221 GE Casing3FAN BLADE4WJ01X22974 GE Flange Nut5OUTDOOR FAN MOTOR6WJ65X23015 GE Outdoor Fan Motor Bracket7WJ01X23219 GE Sensor Clip8WJ88X26444 GE Condenser9LEFT SIDE PANEL10WJ01X24664 GE Handle11TOP COVER12WJ76X23018 GE Valve Cover13RIGHT SIDE PANEL14EEV VALVE15WJ53X24973 GE Liquid Service Valve16WJ53X24975 GE Vapor Service Valve174-WAY VALVE TUBE ASSEMBLY18WJ53X25636 GE Discharge Tube19WJ53X23020 GE Suction Tube21WJ35X26440 GE Outdoor Wire Harness22WJ01X26442 GE Compressor Nut23WJ98X23021 GE Compressor24WJ26X23009 GE Suction Sensor25WJ27X23006 GE Reactor26COMPRESSOR HEATER29WJ27X23172 GE Heater Pan30WJ27X26435 GE Terminal Block32WJ26X26479 GE Inverter Assembly34WJ26X28295 GE Power Control Board35RJ4536WJ76X27114 GE Cover37WJ65X27113 GE Bracket Strain Relief38WJ01X27116 GE 1/2" X 3/8" Adapter42WJ26X22984 GE Sensor Assembly Amb/Dis/Coil43WJ26X23334 GE Sensor Pipe47WJ76X24672 GE Casing Assembly9999PM OTHER9999PM INSTALLATION INSTRUCTION9999PM Installation Manual