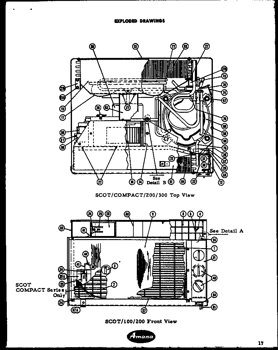
216-5BH-2 01 – Page 1admin2025-04-26T09:41:36+00:00216-5BH-2 01 – Page 1 ProductsPositionProductNIMAY M0103501NIMAY M0102306NIMAY C5240901NIMAY B5128101NIMAY B5128001NIMAY B5125101NIMAY B5124501NIMAY M0300004NIMAY M0212144NIMAY C5265602NIMAY A3000701NIMAY A4610101NIMAY B5126701NIMAY A4587401NIMAY B512830421MAY D537410261MAY C525860172MAY A409740178MAY B4765601