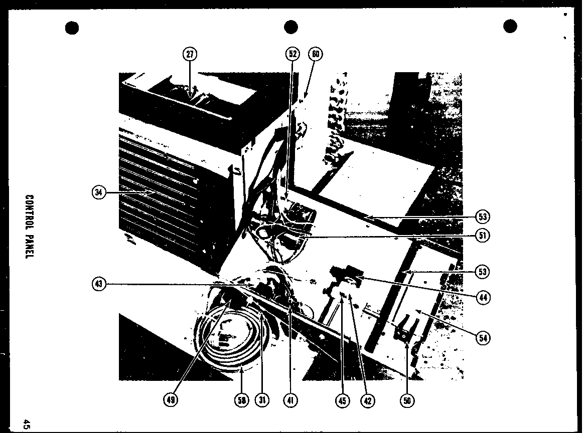
218-3SP 02 – CONTROL PANELadmin2025-04-26T09:42:13+00:00218-3SP 02 – CONTROL PANEL ProductsPositionProduct31MAY M010270231MAY C524060234MAY D539700241MAY B513160142MAY C527180143MAY B476350144MAY B513250150MAY B477800151MAY B475850651MAY C582501952MAY C582501052MAY M030000553MAY A303030254MAY B510760254MAY B511080254MAY B513260154MAY B5132901