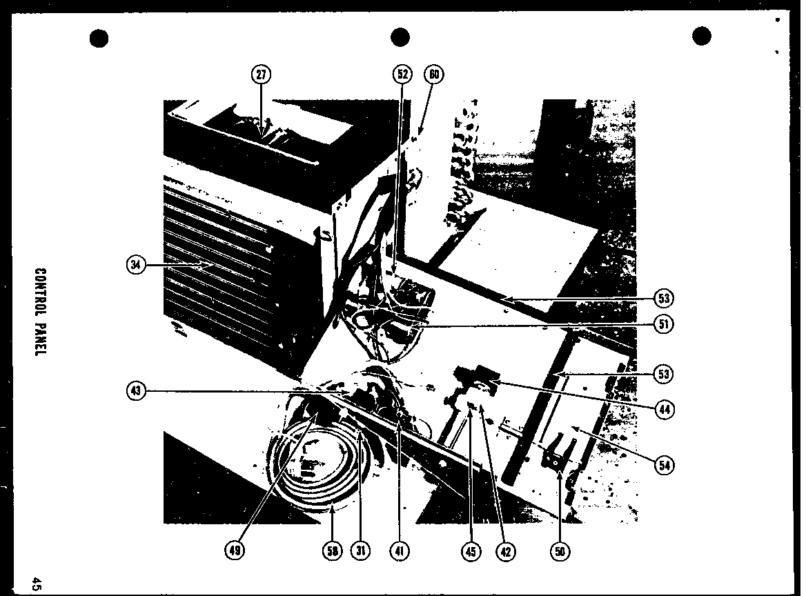
218-5SP 02 – CONTROL PANELadmin2025-04-26T09:41:19+00:00218-5SP 02 – CONTROL PANEL ProductsPositionProduct31MAY C524060231MAY M010270234MAY D539700241MAY B513160142MAY C527180143MAY B476350144MAY B513250150MAY B477800151MAY C582502051MAY B475850752MAY C582501052MAY M030000553MAY A303030254MAY B510760254MAY B511080254MAY B513260154MAY B5132901