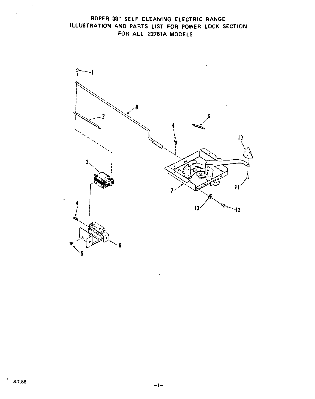
2276W1A 02 – POWER LOCKadmin2025-04-26T10:53:54+00:002276W1A 02 – POWER LOCK ProductsPositionProduct1Stud2Spring-Solenoid3Solenoid Only5Mounting Screw6Bracket w/Switch7Oven Door Lock Assm. (Inc. Key 9)8Switch, Oven Light9Spring-Lock Handle10Knob-Lock Handle11Screw 6-32x15/32``12Screw 10-16x7/16``13WPL 21067