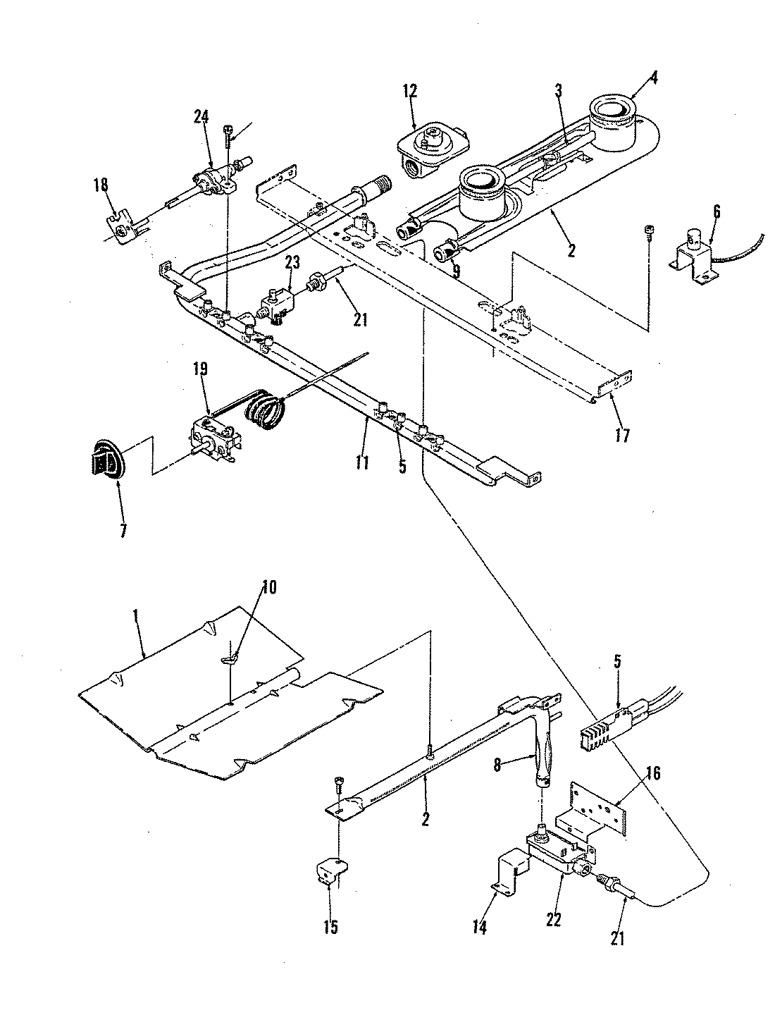
22FA-6KLXV8 05 – GAS CONTROLS (LOWER)