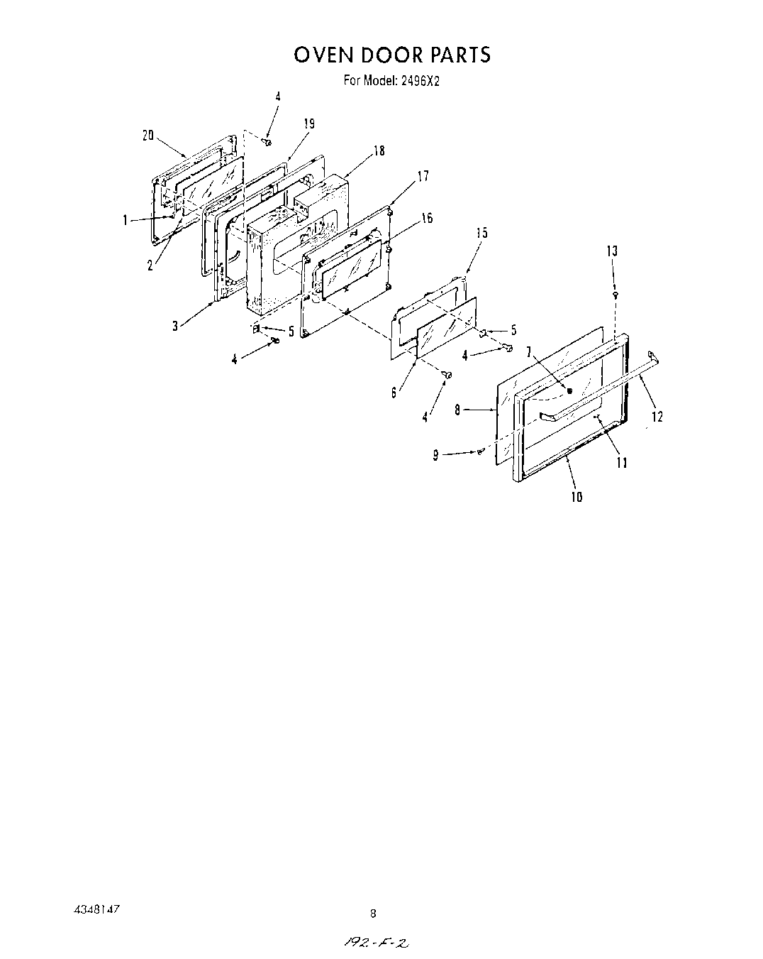
2496^2A 06 – OVEN DOOR