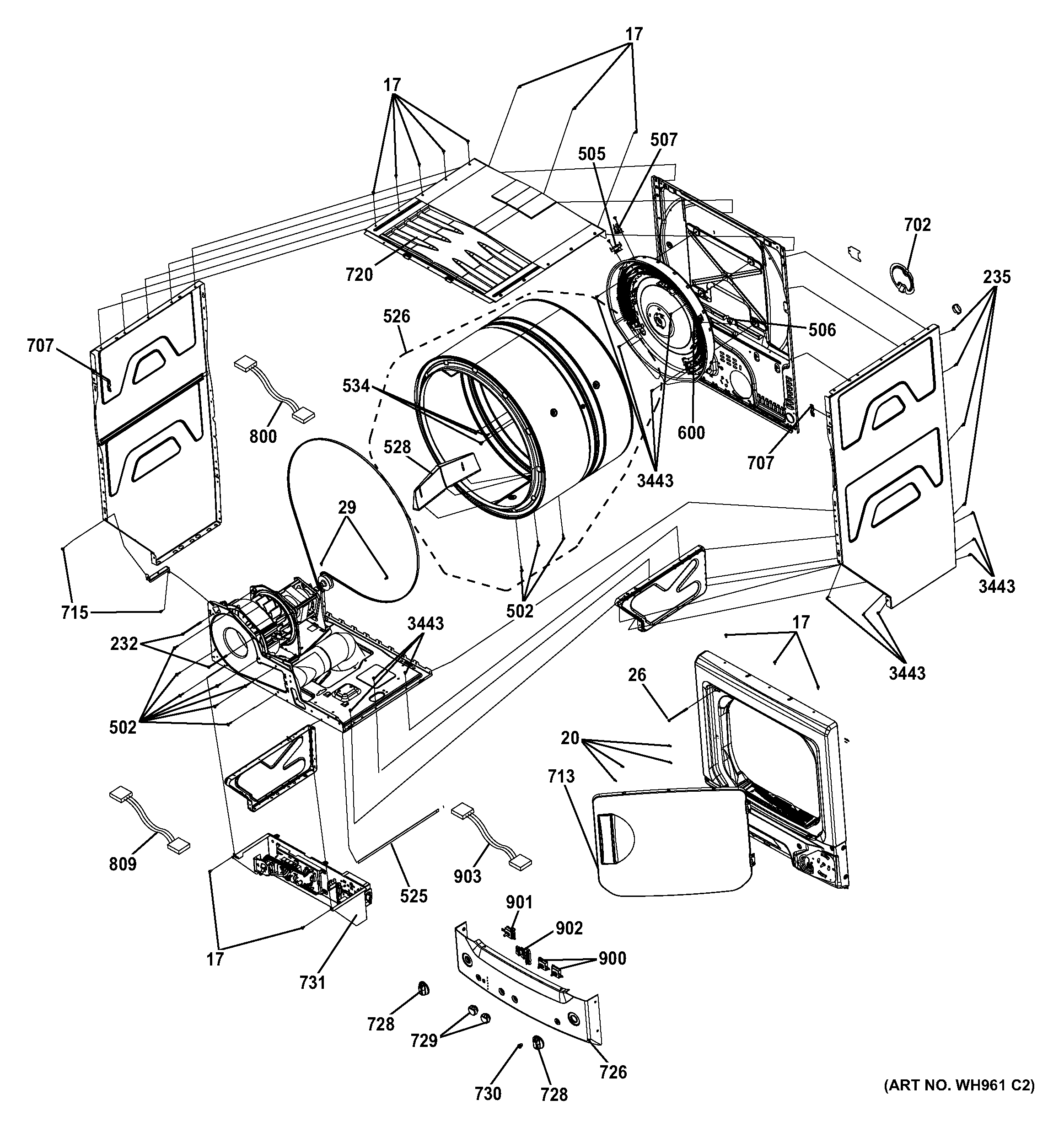
| 17 | WH2X1217 GE Screw Assembly |
| 20 | WE2M302 GE Screw |
| 26 | WE2M304 GE Screw 8-18 AB OVQ1 2 S ZN |
| 29 | WB01K10042 GE Oven Screw 3/8" AB IHW 8-18 |
| 232 | WE2M202 GE Screw |
| 235 | WE2X263D GE Screw Package 12 C92 |
| 502 | WE2M174 GE Screw #10 |
| 505 | WE4M181 GE Cycling Thermostat |
| 506 | GEN WE4M137? |
| 507 | LEFT SAFETY THERMOSTAT 24" |
| 525 | WE1M999 GE Washer Dryer Exhaust Gasket |
| 526 | WE21X28957 GE Drum Assembly |
| 528 | WE21M39 GE Baffle |
| 534 | WE2M163 GE Washer Screw |
| 600 | WE11M62 GE Heater and Housing Assembly |
| 702 | WE1M1004 GE Exhaust Cover |
| 707 | WE2M301 GE Front Panel Clip |
| 713 | WE10M151 GE Door Assembly |
| 715 | WD2M101 GE Dishwasher Screw |
| 720 | WE10X32277 GE Washer White Top Panel |
| 726 | GEN WE19M1710 |
| 728 | WE4M522 GE Dryer Timer Control Knob |
| 729 | KNOB ROTATORY ASM |
| 730 | GEN WE1M1014 |
| 731 | ENCLOSURE BOARD |
| 800 | HARNESS MAIN ASM |
| 809 | WE26M362 GE UI Harness Assembly |
| 900 | WH12X10509 GE Switch Selector |
| 901 | WH12X10510 GE Washer Selector Switch |
| 902 | GEN WH01X10637 |
| 903 | WH19X10081 GE Selector Harness |
| 3443 | WE1M280 GE Screw |