| 1 | GEN 49-90422 |
| 1 | WH01X20442 GE Washer Strap Assembly |
| 1 | GEN 31-16656 |
| 30 | HEX.SCREW8-32TRILOBULAR |
| 100 | WH12X10586 GE Control Board Assembly |
| 102 | WH16X20555 GE Support Board |
| 200 | WH01X10592 GE Hose Clip |
| 419 | WE4M525 GE Black Terminal and Ground Strap |
| 431 | WE01X20423 GE Strain Relief Bracket |
| 461 | WZ5X158D GE Screw Package of 12 |
| 723 | WE1M1009 GE Fuse Terminal Cover |
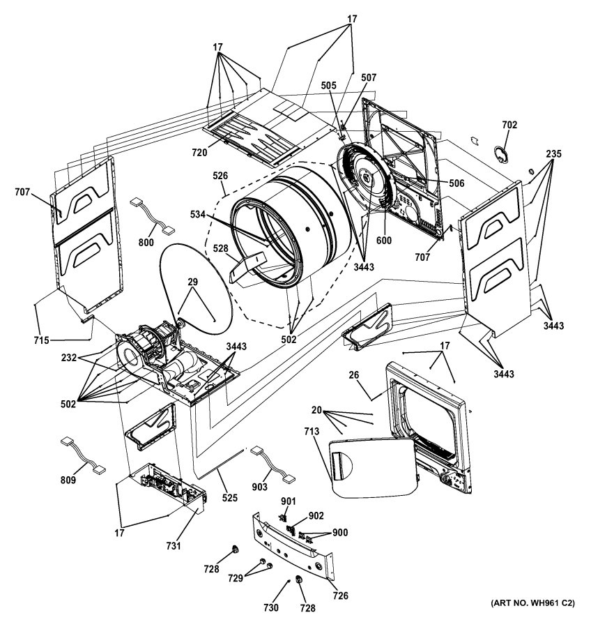
| 731 | ENCLOSURE BOARD |
| 813 | WE1M1002 GE Washer Fuse |
| 814 | WE1M1003 GE Fuse Holder |
| 816 | HARNESS FUSE ASM |
| 905 | WH12X10530 GE Pressure Switch |
| 907 | WH19X10087 GE Pressure Harness |
| 908 | WH19X10084 GE Harness Extension Assembly |
| 3204 | WZ4X241D GE Screw Package |
| 3443 | WE1M280 GE Screw |