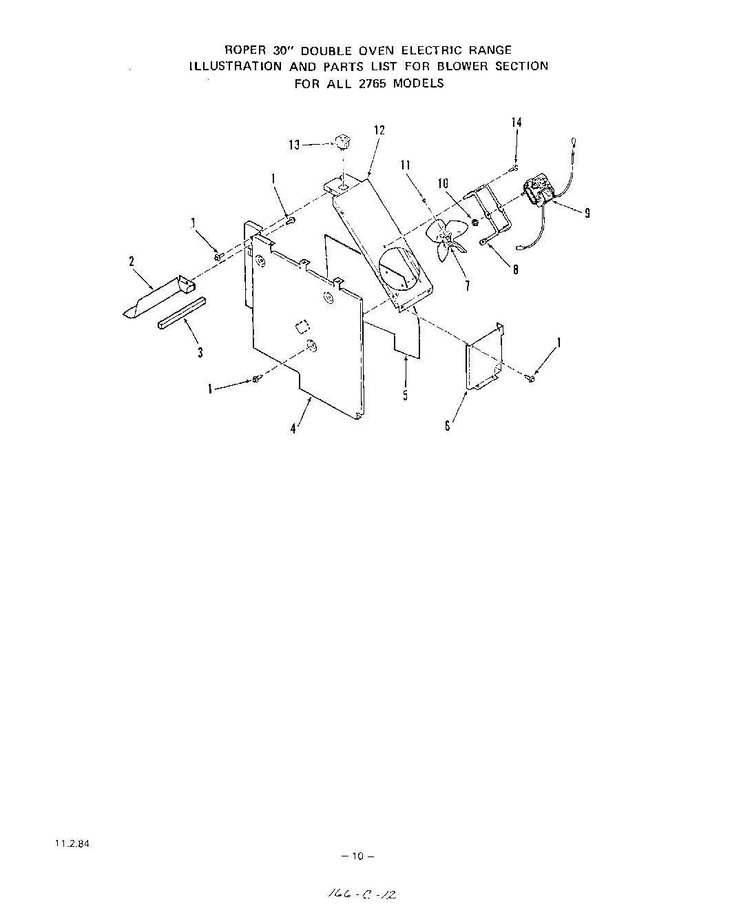
| 1 | WP112432 Whirlpool Nut Assembly |
| 2 | Baffle - Airway |
| 3 | Insulator KESO-140/145, KESO-170/175, KEDO-240/270 |
| 4 | Side - Compartment |
| 5 | Air Duct |
| 6 | Front - Blower Mounting Plate |
| 7 | Fan Blade |
| 8 | Support-Blower Motor |
| 9 | Motor - Blower |
| 10 | Nut 6-32 |
| 11 | Set Screw 10-32 |
| 12 | Mounting Plate - Blower |
| 13 | WPL 109180 |
| 13 | Convenience Outlet (With Wire Leads (1 Req)) |
| 14 | WPL 316365 |
| 14 | Main Top |
| 14 | Main |