2893W0A 09 – MICROWAVE PARTSadmin2025-04-26T10:53:54+00:002893W0A 09 – MICROWAVE PARTS
Products
| Position | Product |
|---|
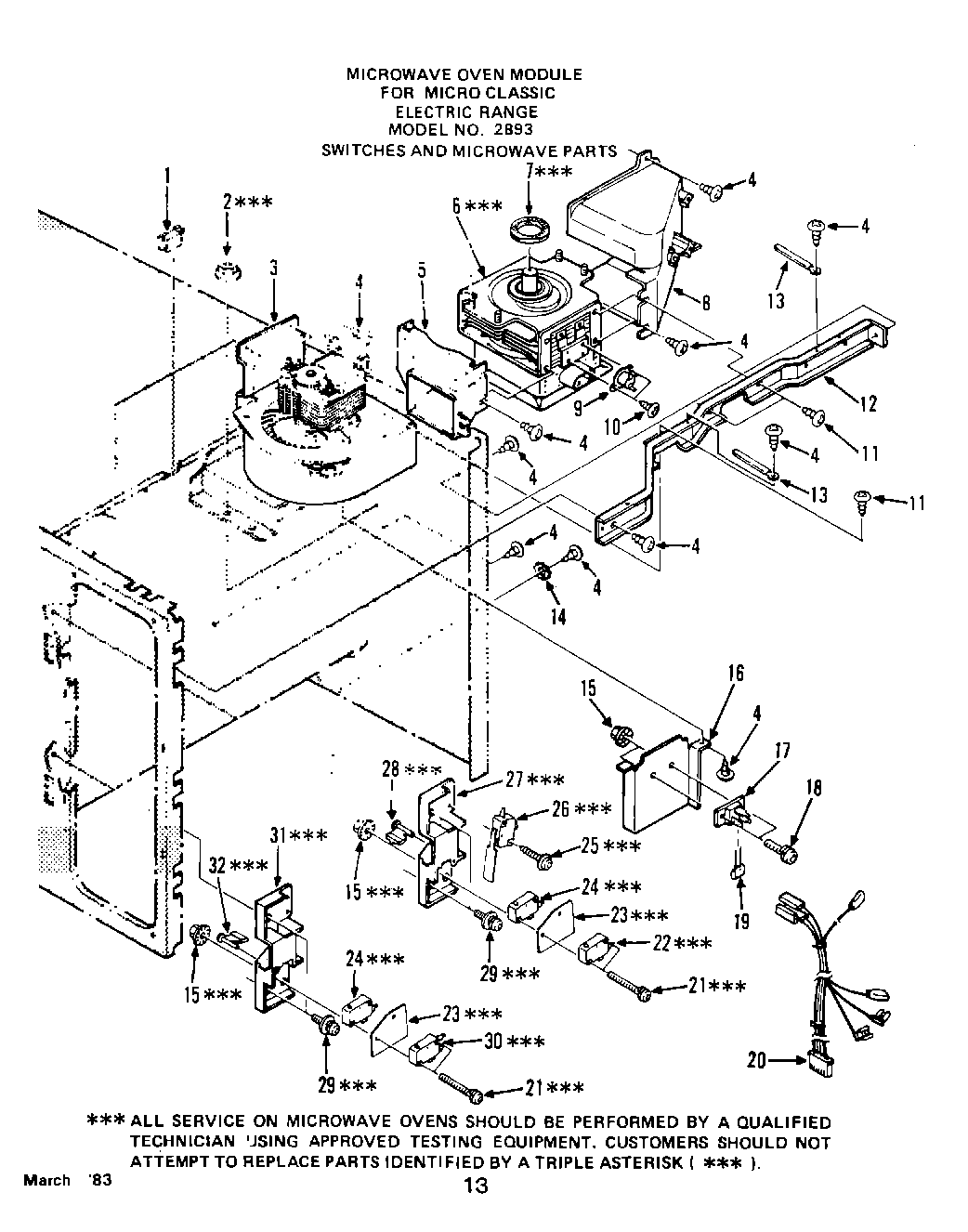
| 1 | Insulator, Oven Cavity |
| 2 | Nut, Hex Hd. with Washer, 5 mm, Z1 |
| 3 | Blower Assembly |
| 4 | Screw, Truss Hd. Tapping, 4 x 10 mm, Z1-2 |
| 5 | Duct, Intake |
| 6 | Magnetron, 2M-128 AA xxx (Includes Key No. 7) |
| 7 | Magnetron Gasket xxx |
| 8 | Duct, Exhaust |
| 9 | Thermostat, Magnetron |
| 10 | Screw, Pan Hd. Tapping, 3 x 6 mm, Z1-1 |
| 11 | Screw, Truss Hd. Tapping, 4 x 14 mm, Z1-1 |
| 12 | Stay, Cavity and Magnetron |
| 13 | Wire Clip |
| 14 | Lockwasher, External Tooth, 4 mm, U |
| 15 | Nut, Hex Hd. with Washer, 3 mm, Z1 |
| 16 | Heat Sink |
| 17 | Triac |
| 18 | leveler (2) |
| 19 | Polyester Film Capacitor, 0.1 mfd +/- 20 Percent, 50V |
| 20 | Connector, Triac |
| 21 | Screw, Pan Hd. Machine with Spring Washer, 3 x 30mm, Z1 |
| 22 | Micro Switch, Door Sensing |
| 23 | Insulation Sheet, Micro Switch |
| 24 | Micro Switch, 1st and 2nd Interlock |
| 25 | Screw, Pan Hd. Tapping, 3 x 16 mm, Z1-1 xxx |
| 26 | Micro Switch, Interlock Monitor xxx |
| 27 | Lever Stopper |
| 28 | Latch Lever |
| 29 | Screw, Pan Hd. Machine with Washer and Spring Washer, 4 x 12 mm, Z1 |
| 30 | Micro Switch, Cavity Light xxx |
| 31 | Lever Stopper |
| 32 | Latch Lever |