2DLSQ7533JQ4 04 – MACHINE BASE PARTSadmin2025-04-26T10:52:08+00:002DLSQ7533JQ4 04 – MACHINE BASE PARTS
Products
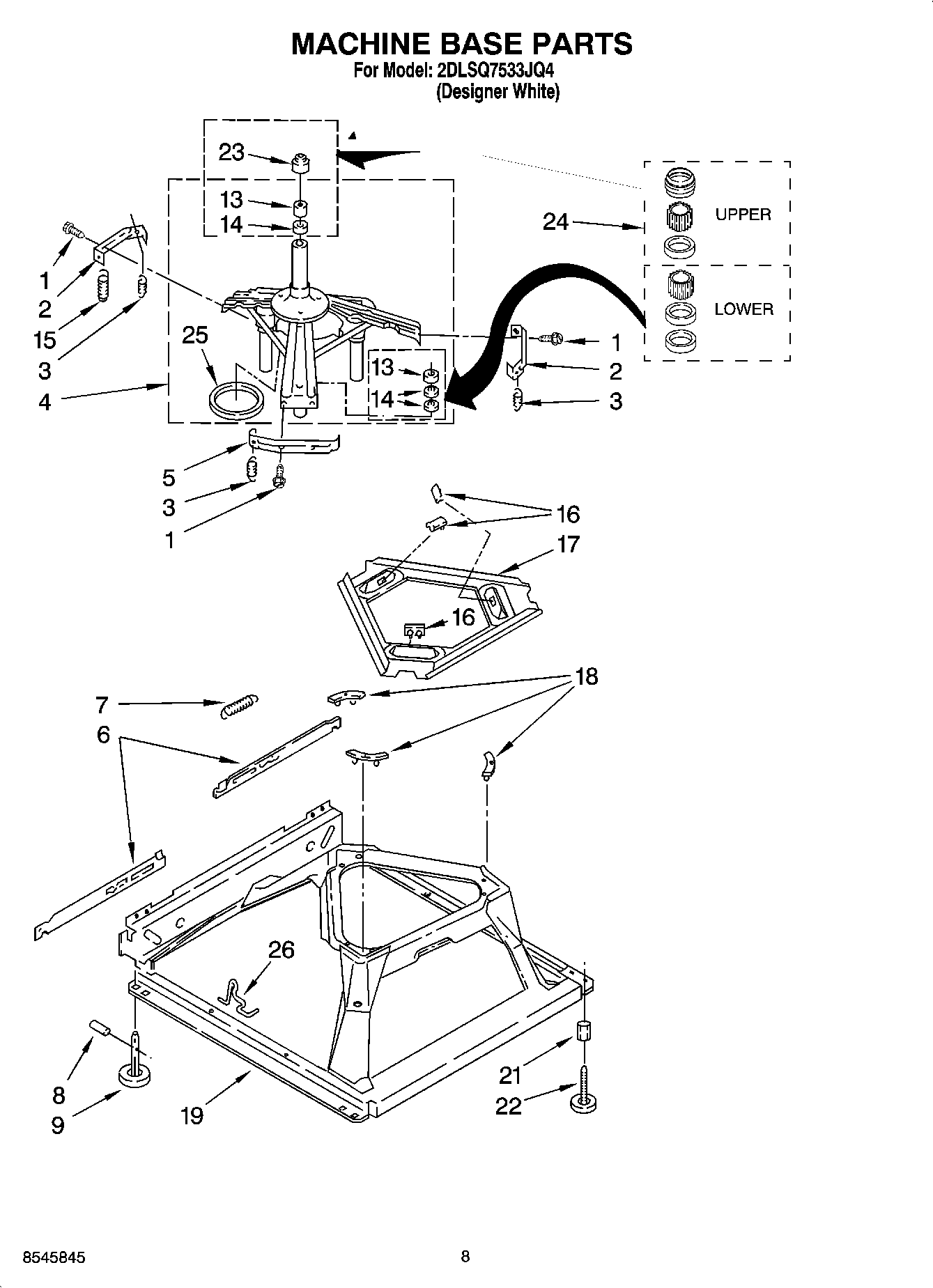
| Position | Product |
|---|
| 1 | W10846509 Whirlpool Screw |
| 2 | WP64067 Whirlpool Bracket |
| 3 | WP63907 Whirlpool Washer Suspension Spring |
| 4 | Support & Brake, Tub |
| 5 | Bracket, Spring Outer (L.F.) |
| 6 | Link, Leveling Mechanism (2) |
| 7 | 8316845 Whirlpool Washer Spring |
| 8 | WP62837 Whirlpool Dowel Pin |
| 9 | 285244 Whirlpool Leveling Feet |
| 13 | WP8546455 Whirlpool Bearing |
| 14 | W11095997 Whirlpool Seal |
| 15 | WPW10250667 Whirlpool Washer Suspension Spring |
| 16 | 285219 Whirlpool Washer Suspension Plate Friction Pads 3 Pack |
| 17 | WP3946509 Whirlpool Skate Plate |
| 18 | 285744 Whirlpool Washer Tub Suspension Rod Kit Pad 3 Pack |
| 19 | Base Assembly (Includes Illus, 6, 7, 8, 9, 16, 17,18, & 26.) |
| 21 | WP3359452 Whirlpool Nut |
| 22 | WPW10001130 Whirlpool Leveling Leg |
| 23 | WP8577376 Whirlpool Seal |
| 24 | 285203 Whirlpool CP Bearing |
| 25 | WP63134 Whirlpool Ring |
| 26 | WPW10145155 Whirlpool Retainer |