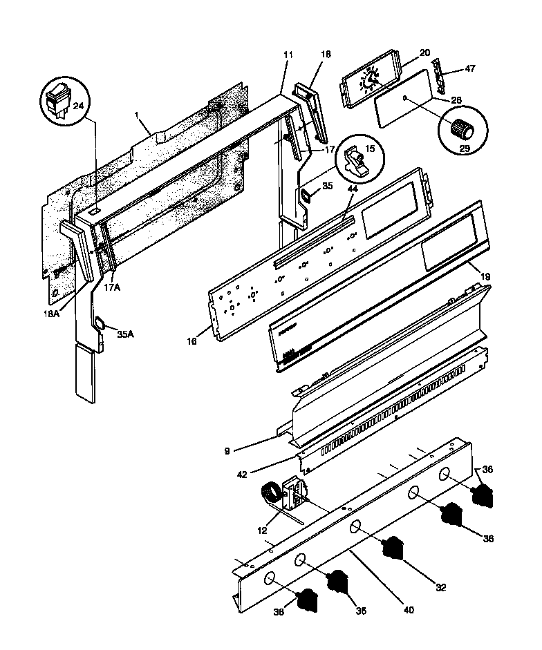
30-2132-00-04 02 – BACKGUARDadmin2025-04-26T08:36:13+00:0030-2132-00-04 02 – BACKGUARD ProductsPositionProduct*58360WCI 5303281584*58361SCREW-END CAP1SHIELD-BACKGUARD,REAR WALL9WCI 31604350111WCI 31608371212316032411 Frigidaire Stove Temperature Control Thermostat15SUPPORT-BACKGUARD,(2)16WCI 31604260117TRIM-GLASS RETAINER,RH17ATRIM-GLASS RETAINER,LH18WCI 320474718AWCI 320474619PANEL-CONTROL, METAL20WCI 3204748245304527841 Frigidaire Oven Rocker Switch (Black)26LENS-CLOCK, GLASS29WCI 31602900032WCI 31602291235CAP-RH35ACAP-LH36WCI 31602301540WCI 530327310944WCI 313146847RETAINER, CLOCK GLASS, (2)