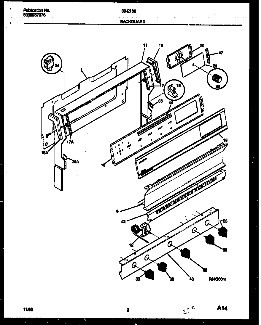
30-2132-23-02 02 – BACKGUARD