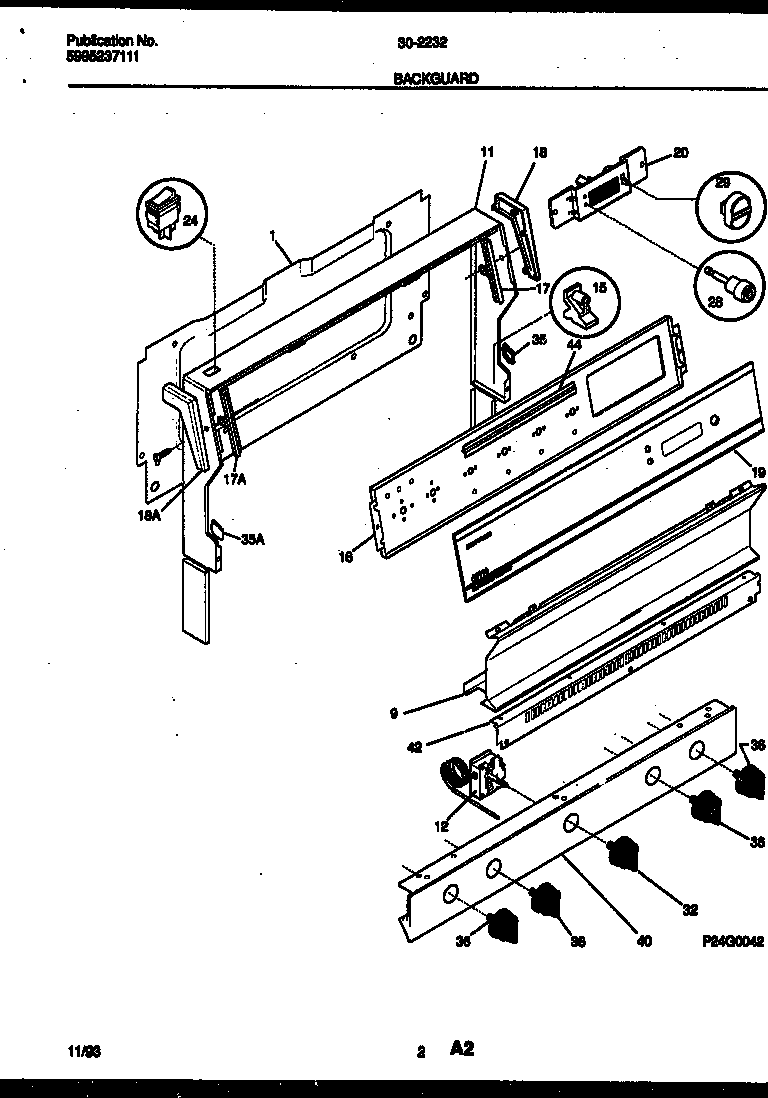
30-2232-00-03 02 – BACKGUARD