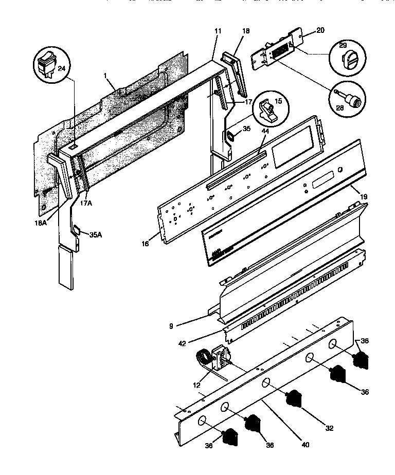
30-2232-00-04 02 – BACKGUARDadmin2025-04-26T08:36:24+00:0030-2232-00-04 02 – BACKGUARD ProductsPositionProduct*92880WCI 5303281584*92881SCREW-END CAP1SHIELD-BACKGUARD,REAR WALL9WCI 31604350111WCI 320475512316032411 Frigidaire Stove Temperature Control Thermostat16WCI 31604260117TRIM-GLASS RETAINER,RH17ATRIM-GLASS RETAINER,LH18WCI 320474718AWCI 320474619WCI 31600810020WCI 5303272309245304527841 Frigidaire Oven Rocker Switch (Black)28BUTTON-CLOCK29KNOB-TIMER BUTTON32WCI 31602291235ACAP-LH35CAP-RH36WCI 31602301540WCI 5303273109