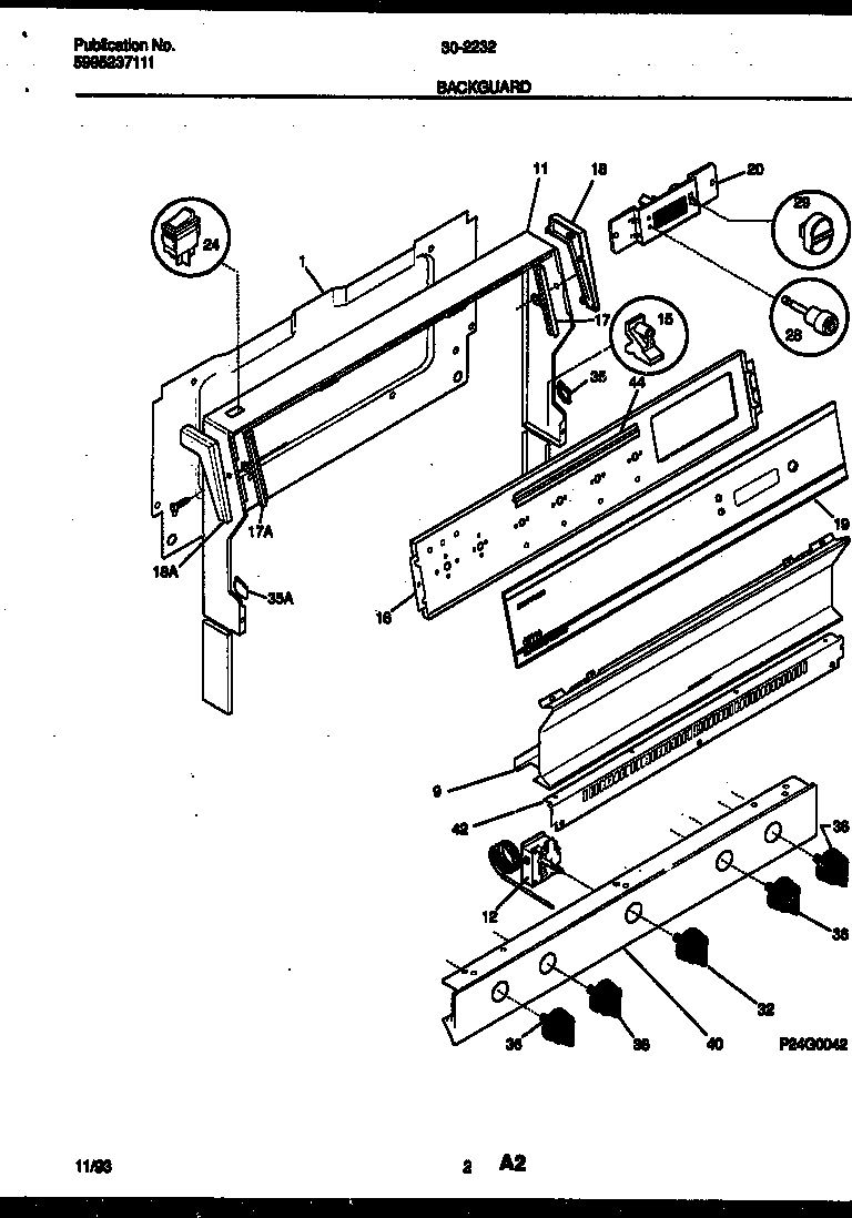
30-2232-23-03 02 – BACKGUARDadmin2025-04-26T08:36:32+00:0030-2232-23-03 02 – BACKGUARD ProductsPositionProduct1SHIELD-BACKGUARD,REAR WALL9WCI 31604350211WCI 320476412316032411 Frigidaire Stove Temperature Control Thermostat15SUPPORT-BACKGUARD,(2)16WCI 31604260117TRIM-GLASS RETAINER,RH17ATRIM-GLASS RETAINER,LH18WCI 320474718AWCI 320474619WCI 31600810020WCI 5303272309245308015487 Frigidaire Switch-Oven Light28BUTTON-CLOCK29KNOB-TIMER BUTTON32WCI 320511535ACAP-LH35CAP-RH36WCI 320510340WCI 530327310942WCI 3131241