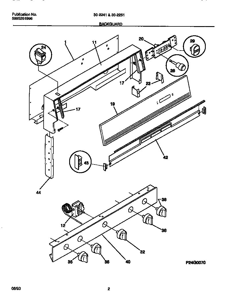
30-2241-00-07 02 – BACKGUARDadmin2025-04-26T08:36:36+00:0030-2241-00-07 02 – BACKGUARD ProductsPositionProduct1WCI 31605280311WCI 3165660112INSULATOR-THERMOSTAT (NOT ILLUSTRATED)12316032411 Frigidaire Stove Temperature Control Thermostat17WCI 530328398719PANEL-CONTROL, GLASS20WCI 530327230923BRACKET-CLOCK MTG, (2)28BUTTON-CLOCK29KNOB-TIMER BUTTON32KNOB-THERMOSTAT36WCI 320486940WCI 530327118942TRIM-VENT43WCI 530328398344BWCI 530328158444WCI 530328398144A316021105 Frigidaire Oven Screw