| *72885 | WCI 316001219 |
| *72884 | WCI 5303281584 |
| *72882 | WCI 316056500 |
| *72883 | WCI 5303280614 |
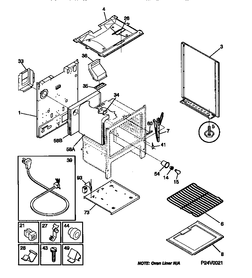
| 1 | WCI 316029410 |
| 3 | WCI 316081007 |
| 3 | WCI 316081006 |
| 4 | WCI 3011597 |
| 5B | WCI 3934058 |
| 5A | SCREW-LEVELING |
| 5D | NUT, T,TYPE, LEVELING SCREW (NOT ILLUSTRATED) |
| 5C | 316116000 Frigidaire Screw |
| 6 | 316067902 Frigidaire Oven Rack |
| 7A | Hinge,oven door ,(2) |
| 7B | 3203010 Frigidaire Clip |
| 8A | BTTM-OVEN |
| 8B | 316064600 Frigidaire Oven Support |
| 14 | 316116400 Frigidaire Oven Light Socket |
| 15 | 316538904 Frigidaire Oven Lamp Light |
| 21 | SPACER-BODYSIDE, (8) |
| 26 | WCI 08067757 |
| 27 | 5303284616 Frigidaire Range Bulb Clip Thermostat |
| 28 | CLIP-WIRE |
| 33 | WCI 316055601 |
| 34 | COVER-IGNITOR |
| 35 | 316542102 Frigidaire Flue Gasket |
| 36 | WCI 3131904 |
| 39B | WCI 08067961 |
| 39A | 5304515659 Frigidaire Oven Power Cord |
| 41 | WCI 3131570 |
| 43 | 316282700 Frigidaire Oven Screw |
| 44 | 3131903 Frigidaire Door/Drawer Bumper |
| 54 | WCI 5303271606 |
| 58 | INSULATION, OVEN WRAPPER |
| 58 | INSUL - OVEN BACK (NON-ILLUSTRATED) |
| 60 | COVER-OVEN FRONT |
| 73 | BASE-BROIL |
| 93 | WCI 316055501 |