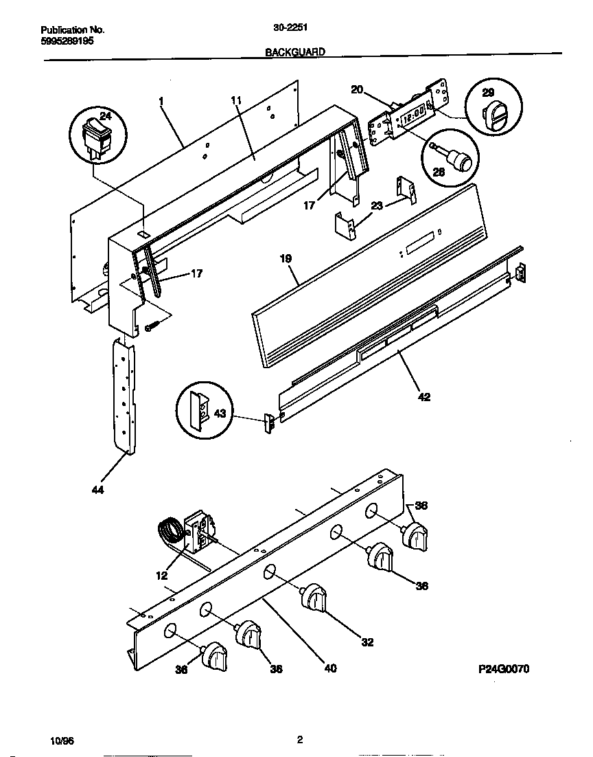
30-2251-00-11 02 – BACKGUARD