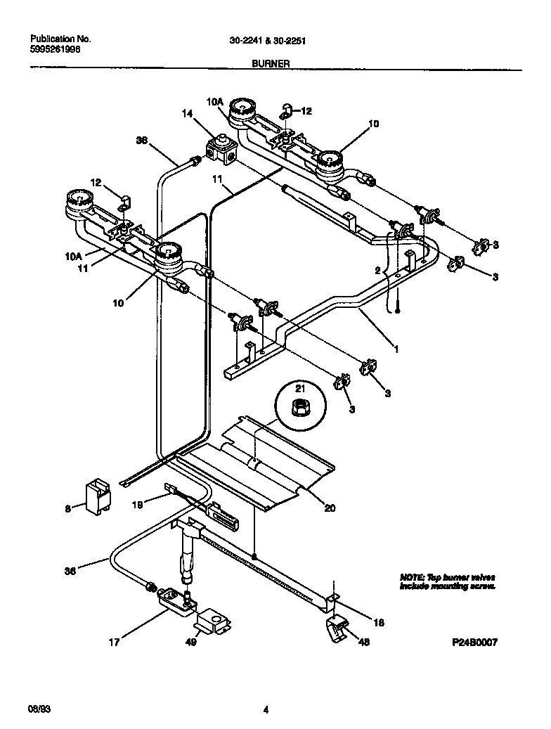
30-2251-23-08 03 – BURNERadmin2025-04-26T08:37:09+00:0030-2251-23-08 03 – BURNER ProductsPositionProduct1WCI 53032724352VALVE-TOP BURNER, 2 POSITION, (4), W/SCREWS3WCI 3160320013SWITCH HARNESS TERMINAL KIT85303912606 Frigidaire Oven Range Spark Module 2+0 4 Large Terminals105304506427 Frigidaire Oven Range Surface Burner (White)10A5304506426 Frigidaire Oven Top Rear Burner11IGNITER-TOP BURNER, BASE, (2)123016993 Frigidaire Oven Retainer14WCI 316082900173203459 Frigidaire Oven Range Dual Gas Safety Valve18WCI 3131439195303935066 Frigidaire Oven Flat Igniter 17" Leads20WCI 3203265215303013272 Frigidaire Oven Nut36WCI 31608300048WCI 301860349BRKT.-VALVE