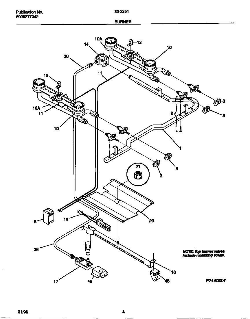
30-2251-23-10 03 – BURNERadmin2025-04-26T08:36:24+00:0030-2251-23-10 03 – BURNER ProductsPositionProduct1WCI 53032724352B316048200 Frigidaire Oven Screw2AVALVE-TOP BURNER, 2 POSITION, (4), W/SCREWS3AWCI 3160320013BSWITCH HARNESS TERMINAL KIT85303912606 Frigidaire Oven Range Spark Module 2+0 4 Large Terminals105304506426 Frigidaire Oven Top Rear Burner105304506427 Frigidaire Oven Range Surface Burner (White)11BIGNITER-TOP BURNER, BASE, 33``11AIGNITER-TOP BURNER, BASE, (2)123016993 Frigidaire Oven Retainer14WCI 316082900173203459 Frigidaire Oven Range Dual Gas Safety Valve18WCI 3131439195303935066 Frigidaire Oven Flat Igniter 17" Leads20WCI 5303288409215303013272 Frigidaire Oven Nut36WCI 31608300048WCI 301860349BRKT.-VALVE