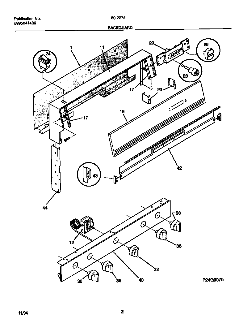
30-2272-00-03 02 – BACKGUARDadmin2025-04-26T08:36:43+00:0030-2272-00-03 02 – BACKGUARD ProductsPositionProduct*29760WCI 53032815841WCI 31605280311WCI 31605660012316032411 Frigidaire Stove Temperature Control Thermostat17WCI 530328398719PANEL-CONTROL, GLASS20WCI 530327230923BRACKET-CLOCK MTG, (2)245308015487 Frigidaire Switch-Oven Light28BUTTON-CLOCK29KNOB-TIMER BUTTON32KNOB-THERMOSTAT36WCI 320486940WCI 31600923042TRIM-VENT43WCI 530328398344WCI 5303283981