30-2272-00-06 05 – TOP/DRAWERadmin2025-04-26T08:36:32+00:0030-2272-00-06 05 – TOP/DRAWER
Products
| Position | Product |
|---|
| *92289 | WCI 5303280311 |
| *92288 | Screw,cup pt ,8-18 x 0.375 ,chrome |
| *92291 | 131243700 Frigidaire Screw |
| *92290 | WCI 5303281584 |
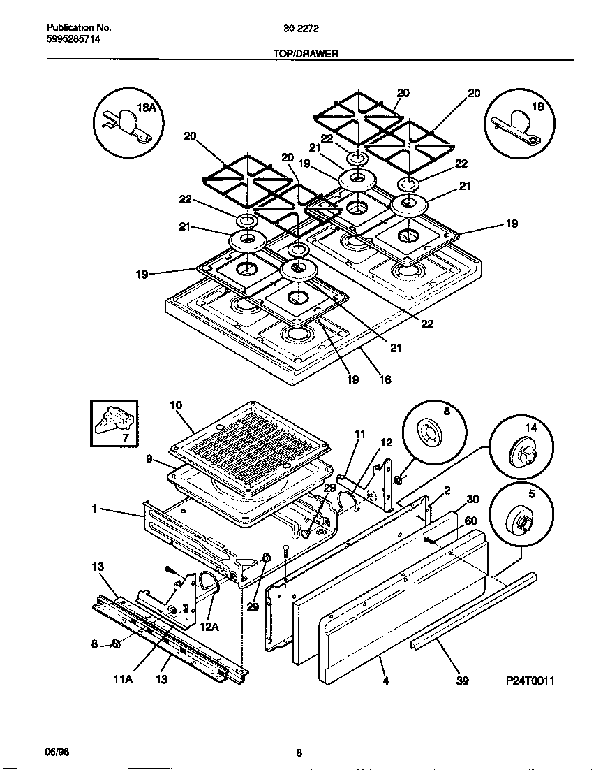
| 1 | DRAWER-BROILER |
| 2 | WCI 3202803 |
| 4 | SCREW, HEX WASHER HEAD, 8-18(AB) X 1/2 (NOT ILLUSTRATED) |
| 4 | PANEL-BROILER, WHITE |
| 5 | FSTNR, SPACER (2) |
| 7 | GLIDE-DRAWER, REAR |
| 8 | WCI 3131386 |
| 9 | PAN-BROILER |
| 10 | WCI 5303131356 |
| 11 | BRACKET-BROILER HINGE, LH |
| 11 | BRACKET-BROILER HINGE, RH |
| 12 | SPRING-BROILER, RH |
| 12 | WCI 3018618` |
| 13 | WCI 3131153 |
| 14 | WCI 3206216 |
| 16 | WCI 316010408 |
| 16B | GUSSET-MTG (LH) (NON-ILLUSTRATED) |
| 16A | GUSSET-MTG (RH) (NON-ILLUSTRATED) |
| 18 | BRACKET-HINGE,MAIN TOP RH |
| 18 | BRACKET-HINGE,MAIN TOP LH |
| 19 | WCI 316011400 |
| 20 | WCI 316088900 |
| 21 | WCI 316035101 |
| 22 | 316010901 Frigidaire Burner Cap P1 |
| 29 | PIN, HINGE (2) |
| 30 | INSULATION, BROILER DRAWER |
| 39 | HANDLE-DRAWER, BRUSHED CHROME |
| 60 | 316089500 Frigidaire Oven Screw |