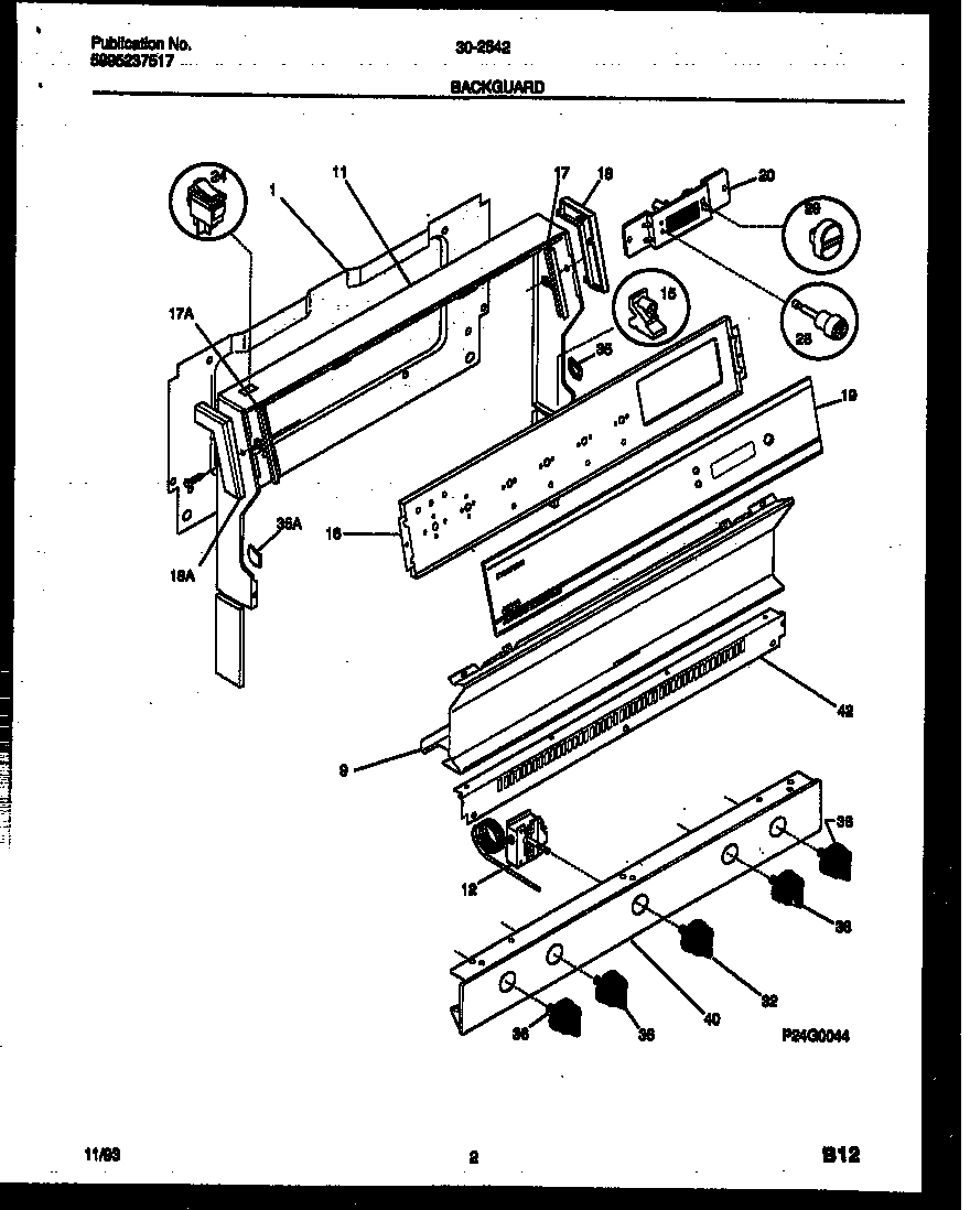
30-2542-23-02 02 – BACKGUARDadmin2025-04-26T08:40:36+00:0030-2542-23-02 02 – BACKGUARD ProductsPositionProduct1SHIELD-BACKGUARD,REAR WALL9WCI 31604350211WCI 320476412316032411 Frigidaire Stove Temperature Control Thermostat15SUPPORT-BACKGUARD,(2)16WCI 31604260117ATRIM-GLASS RETAINER,LH17TRIM-GLASS RETAINER,RH18WCI 320474718AWCI 320474619PANEL-CONTROL, GLASS20WCI 5303272309245308015487 Frigidaire Switch-Oven Light28BUTTON-CLOCK29KNOB-TIMER BUTTON32WCI 320511535CAP-RH35ACAP-LH36KNOB-TOP VALVE, (4)40WCI 530327310942WCI 3131241