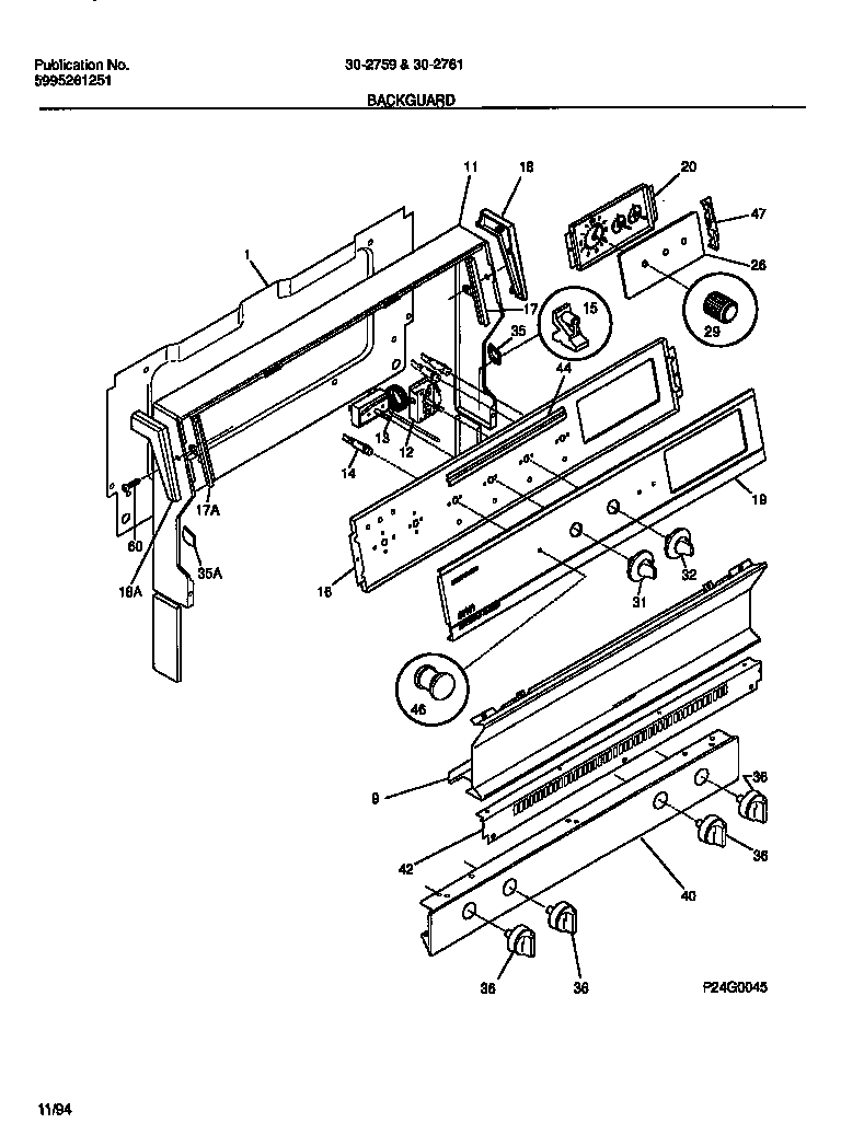
30-2759-00-09 02 – BACKGUARD