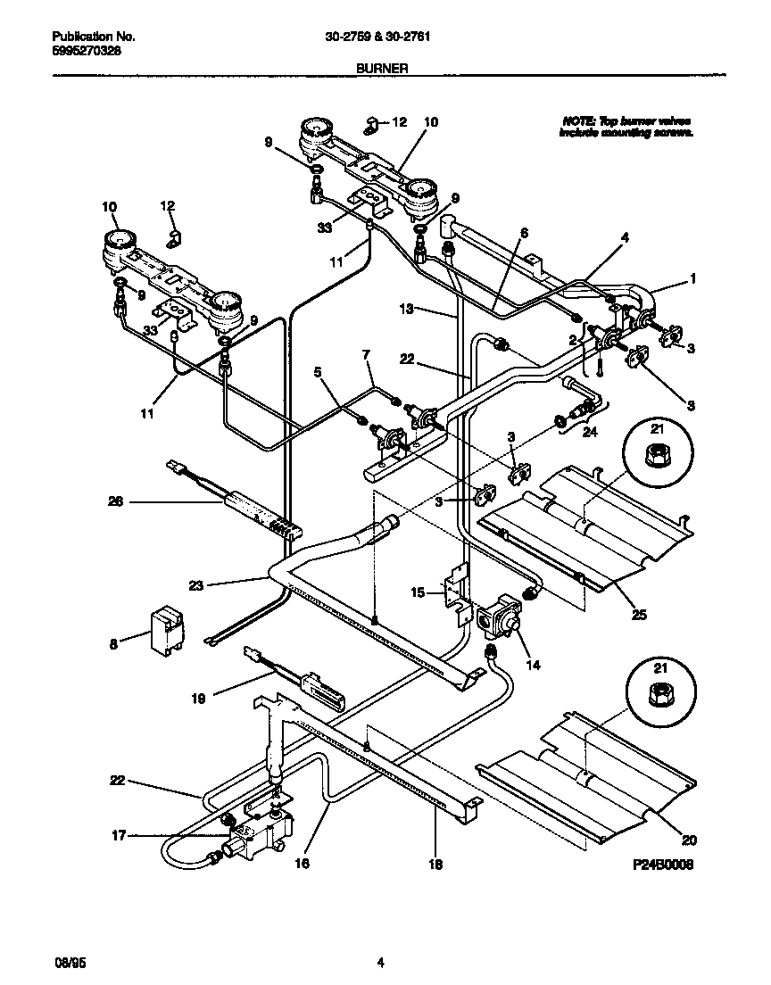
30-2759-23-10 03 – BURNER