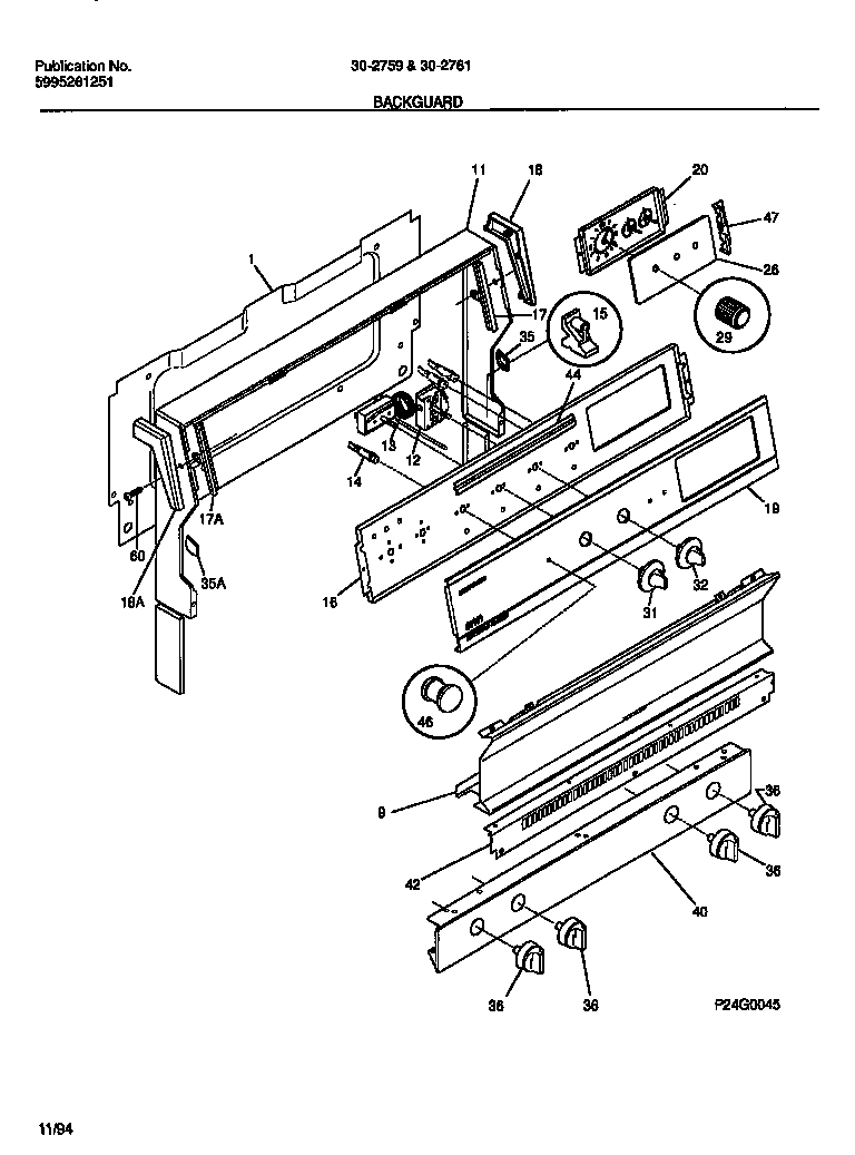
30-2761-00-06 02 – BACKGUARDadmin2025-04-26T08:40:40+00:0030-2761-00-06 02 – BACKGUARD ProductsPositionProduct*17282316021105 Frigidaire Oven Screw*17284WCI 5303281584*17280WCI 3204745*17283WCI 5303272555*17281WCI 3160014221SHIELD-BACKGUARD,REAR WALL9WCI 31604350111WCI 320475512THERMOSTAT-BAKE13SWITCH SELECTOR 5 POS14WCI 530803789614INDICATOR LIGHT-LOCK (1)15SUPPORT-BACKGUARD,(2)16WCI 31604260117ATRIM-GLASS RETAINER,LH17TRIM-GLASS RETAINER,RH18WCI 320474718AWCI 320474619PANEL, CONTROL, METAL20ELECTRICAL CLOCK26WCI 320169529WCI 31602900031WCI 530328609932WCI 530328609835CAP-RH35ACAP-LH36WCI 320510340WCI 530320849242WCI 313124144WCI 313146846WCI 31606580047RETAINER, CLOCK GLASS, (2)60SCREW-END CAP