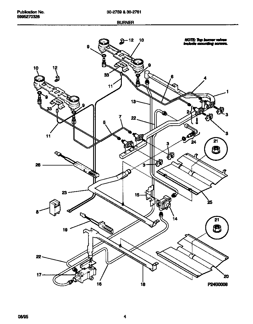
30-2761-00-07 03 – BURNERadmin2025-04-26T08:41:12+00:0030-2761-00-07 03 – BURNER ProductsPositionProduct1WCI 3160662012VALVE, TOP, 2 POS, (4)2A316048200 Frigidaire Oven Screw3ASWITCH HARNESS TERMINAL KIT3WCI 3160320014WCI 3160514005WCI 3160514016WCI 3160514027WCI 31605140385303912606 Frigidaire Oven Range Spark Module 2+0 4 Large Terminals9NUT, SPECIAL10WCI 31605710011IGNITER-TOP BURNER, BASE, (2)11AIGNITER-TOP BURNER, BASE, 33``123016993 Frigidaire Oven Retainer13WCI 31606500514A316021104 Frigidaire Oven Screw Assembly145303935125 Frigidaire Pressure Regulator15316091600 Frigidaire Oven Bracket16WCI 316065003175303208499 Frigidaire Safety Gas Valve18WCI 3131290195303935066 Frigidaire Oven Flat Igniter 17" Leads20BAFFLE-OVN BURNER215303013272 Frigidaire Oven Nut22WCI 31606500223WCI 0806793524WCI 31607040025WCI 5303210379265303935068 Frigidaire Flat Igniter33BRACKET BURNER MTG