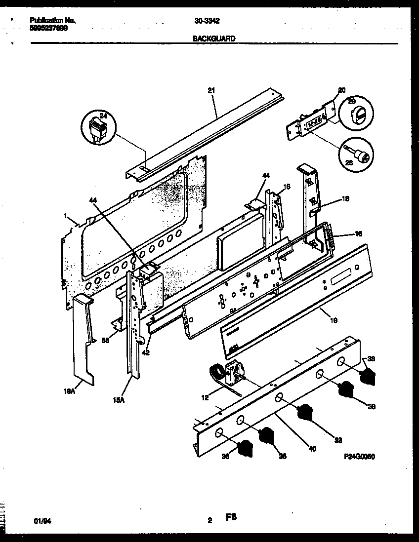
30-3342-00-02 02 – BACKGUARDadmin2025-04-26T08:40:54+00:0030-3342-00-02 02 – BACKGUARD ProductsPositionProduct1SHIELD-BACKGUARD, REAR WALL12316032411 Frigidaire Stove Temperature Control Thermostat15WCI 31602310215AWCI 31602310316WCI 31604260118CAP-END-RH18ACAP-END-LH19GLASS-CONTROL PANEL20WCI 530327230921WCI 5303283554245308015487 Frigidaire Switch-Oven Light28BUTTON-CLOCK29KNOB-TIMER BUTTON32WCI 320511536KNOB-TOP VALVE, (4)40WCI 530327310942WCI 530327283944WCI 530327283156WCI 316014601