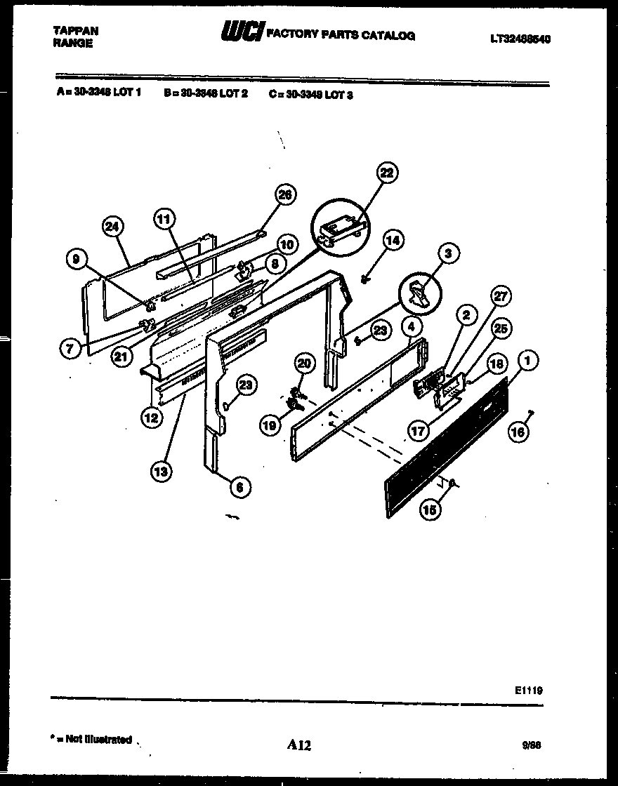
30-3348-23-02 02 – BACKGUARDadmin2025-04-26T08:40:41+00:0030-3348-23-02 02 – BACKGUARD ProductsPositionProduct1WCI 31316282WCI 31314883SUPPORT-BACKGUARD (2)4PLATE INSTRUMENT MOUNTING6WCI 31314367BRKT-FLUOR LT MTG LH8BRKT-FLUOR LT MTG RH9RECEPTACLE-FLU LT LH10RECEPTACLE-FLU LT RH11BULB-FLUOR12PANEL, SPLASHER13WCI 313124114FSTNR-GLASS(2)15BEZEL - SWITCH (2)16NUT - DECOR (2)17WCI 313173018WCI 358T206P0119SWITCH-OV LT20SW.-FLUOR. LT.21GLASS-WORK LITE (2)22WCI 305111523WCI 123T120P0323AWCI 123T120P0424SHIELD-BACKGUARD,REAR WALL25WCI 313150726SHIELD-FLUOR LT.27SHAFT-ELEC. CLK.