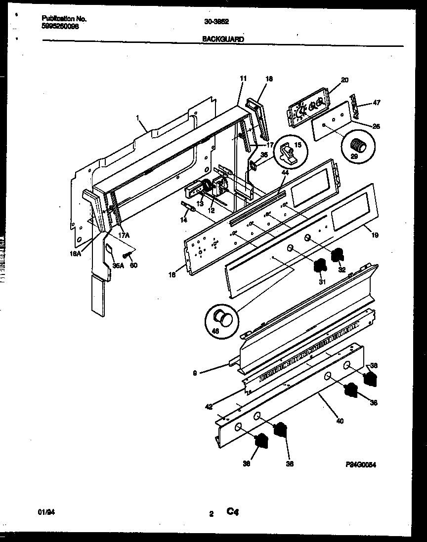
30-3852-00-03 02 – BACKGUARDadmin2025-04-26T08:45:09+00:0030-3852-00-03 02 – BACKGUARD ProductsPositionProduct*94361RETAINER-LENS*94362WCI 3204745*94362WCI 53032725551SHIELD-BACKGUARD,REAR WALL9WCI 31604350111WCI 320475512THERMOSTAT-BAKE13SWITCH SELECTOR 5 POS14AINDICATOR LIGHT-LOCK (1)14WCI 530803789615SUPPORT-BACKGUARD,(2)16WCI 31604260117TRIM-GLASS RETAINER,RH17ATRIM-GLASS RETAINER,LH18WCI 320474718AWCI 320474619PANEL, CONTROL, METAL20ELECTRICAL CLOCK26WCI 320169529KNOB-CLOCK31WCI 530328609932WCI 530328609835ACAP-LH35CAP-RH36KNOB-TOP VALVE, (4)40WCI 31600924242WCI 313124144WCI 313146846JEWEL LENS-AMBER47RETAINER, CLOCK GLASS, (2)60SCREW-END CAP