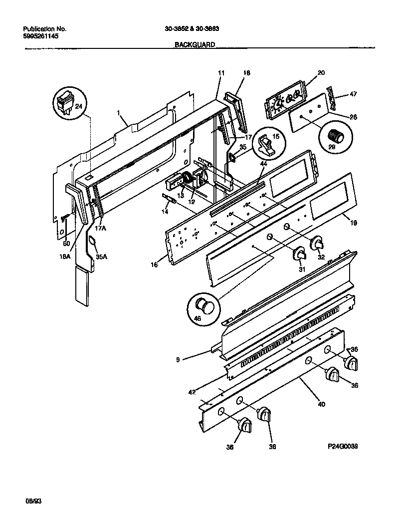
30-3852-23-04 02 – BACKGUARDadmin2025-04-26T08:44:56+00:0030-3852-23-04 02 – BACKGUARD ProductsPositionProduct*83243316021105 Frigidaire Oven Screw*83245WCI 5303281584*83240WCI 3204745*83244WCI 5303272555*83241WCI 3160014221SHIELD-BACKGUARD,REAR WALL9WCI 31604350211WCI 320475512THERMOSTAT-BAKE13SWITCH SELECTOR 5 POS14WCI 530803789614INDICATOR LIGHT-LOCK (1)15SUPPORT-BACKGUARD,(2)16WCI 31604260117TRIM-GLASS RETAINER,RH17ATRIM-GLASS RETAINER,LH18WCI 320474718AWCI 320474619PANEL, CONTROL, METAL20ELECTRICAL CLOCK26WCI 320169529WCI 31602900031WCI 530328609932WCI 530328609835ACAP-LH35CAP-RH36KNOB-TOP VALVE, (4)40WCI 31600924242WCI 313124144WCI 313146846WCI 31606580047RETAINER, CLOCK GLASS, (2)60SCREW-END CAP