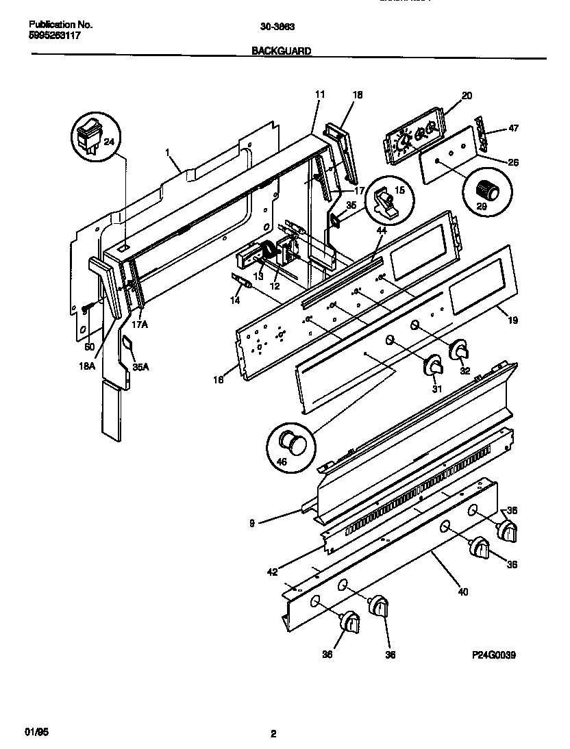
30-3863-00-03 02 – BACKGUARDadmin2025-04-26T08:44:45+00:0030-3863-00-03 02 – BACKGUARD ProductsPositionProduct*74722316021105 Frigidaire Oven Screw*74724WCI 5303281584*74720WCI 3204745*74723WCI 5303272555*74721WCI 3160014391SHIELD-BACKGUARD,REAR WALL9WCI 31604350111WCI 320476412THERMOSTAT-BAKE13SWITCH SELECTOR 5 POS14AWCI 530803789614BINDICATOR LIGHT-LOCK (1)15SUPPORT-BACKGUARD,(2)16WCI 31604260117TRIM-GLASS RETAINER,RH17TRIM-GLASS RETAINER,LH18WCI 320474718WCI 320474619PANEL, CONTROL, METAL20ELECTRICAL CLOCK245308015487 Frigidaire Switch-Oven Light26WCI 320169529WCI 31602900031WCI 530328609932WCI 530328609835CAP-RH35CAP-LH36KNOB-TOP VALVE, (4)40WCI 31600924242WCI 313124144WCI 313146846WCI 31606580047RETAINER, CLOCK GLASS, (2)60SCREW-END CAP