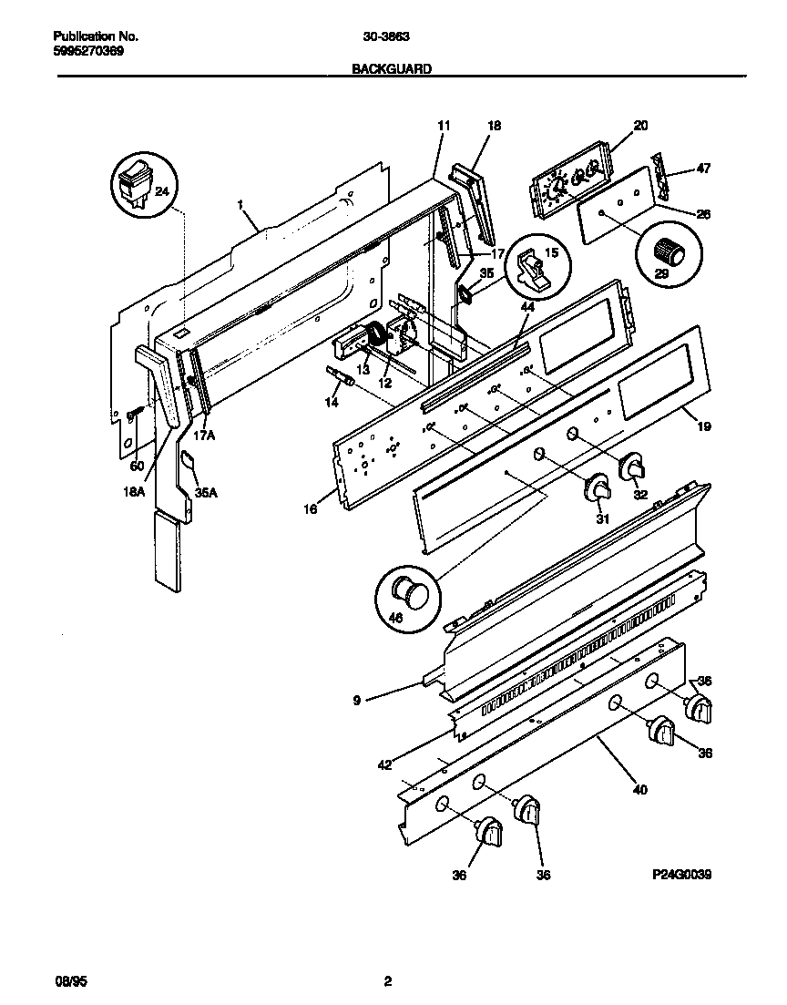
30-3863-00-05 02 – BACKGUARDadmin2025-04-26T08:44:47+00:0030-3863-00-05 02 – BACKGUARD ProductsPositionProduct*65565WCI 316001454*65562WCI 5303281584*65563SCREW-END CAP*65560WCI 3204745*65561WCI 53032725551SHIELD-BACKGUARD,REAR WALL9WCI 31604350111WCI 31608371212THERMOSTAT-BAKE13SWITCH SELECTOR 5 POS14AINDICATOR LIGHT-LOCK (1)14WCI 530803789615SUPPORT-BACKGUARD,(2)16WCI 31604260117TRIM-GLASS RETAINER,RH17ATRIM-GLASS RETAINER,LH18AWCI 320474618WCI 320474719PANEL, CONTROL, METAL20ELECTRICAL CLOCK245304527841 Frigidaire Oven Rocker Switch (Black)26WCI 320169529WCI 31602900031WCI 530328609932WCI 530328609835CAP-RH35ACAP-LH36WCI 31602301440WCI 31600924242WCI 31608430044WCI 313146846WCI 31606580047RETAINER, CLOCK GLASS, (2)60316021105 Frigidaire Oven Screw