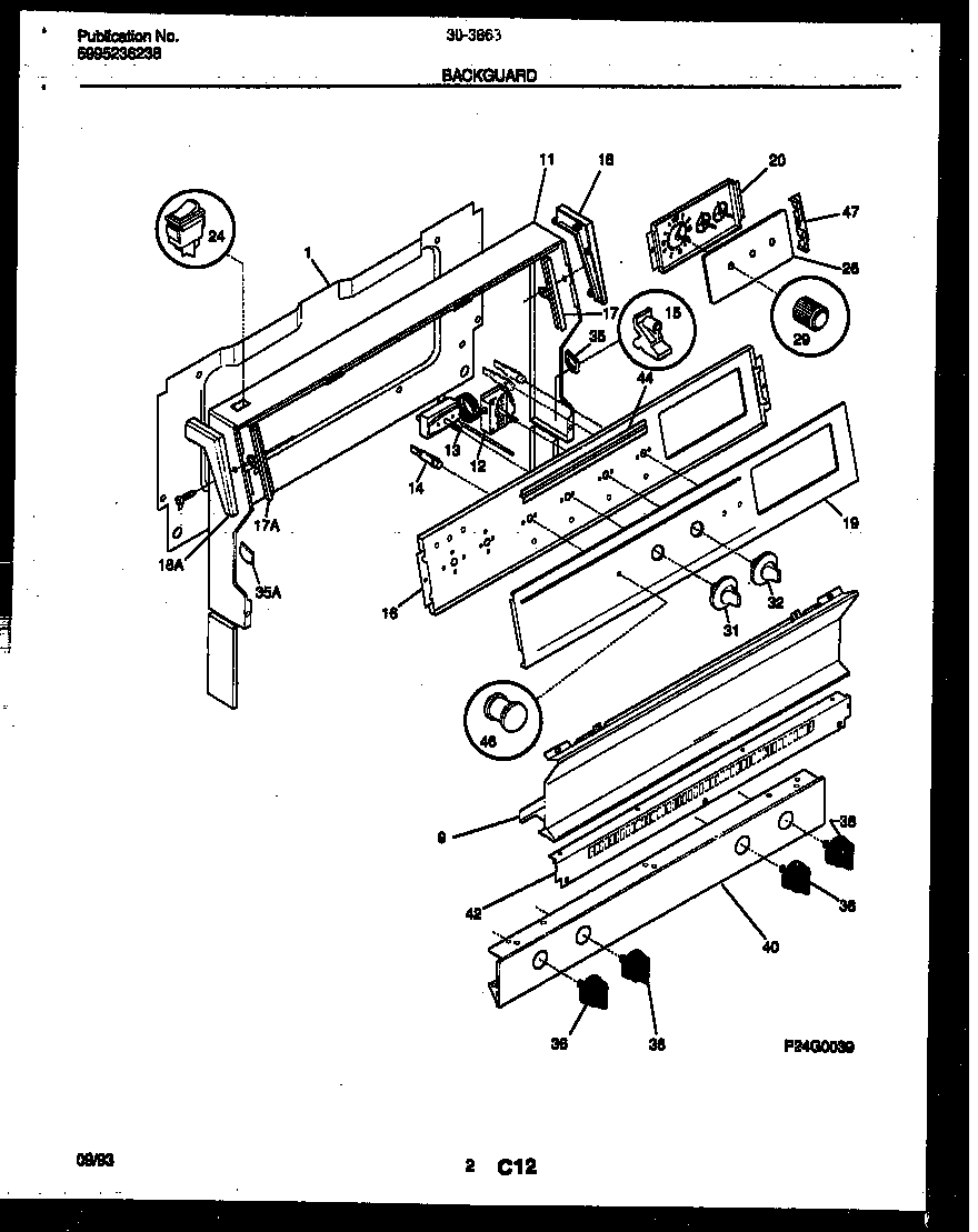
30-3863-23-01 02 – BACKGUARDadmin2025-04-26T08:45:06+00:0030-3863-23-01 02 – BACKGUARD ProductsPositionProduct*90858RETAINER-LENS*90858WCI 3204745*90858WCI 53032725551SHIELD-BACKGUARD,REAR WALL9WCI 31604350211WCI 320476412THERMOSTAT-BAKE13SWITCH SELECTOR 5 POS14WCI 530803789614AINDICATOR LIGHT-LOCK (1)15SUPPORT-BACKGUARD,(2)16WCI 31604260117ATRIM-GLASS RETAINER,LH17TRIM-GLASS RETAINER,RH18WCI 320474718AWCI 320474619PANEL, CONTROL, METAL20ELECTRICAL CLOCK245308015487 Frigidaire Switch-Oven Light26WCI 320169529KNOB-CLOCK31WCI 530328609932WCI 530328609835ACAP-LH35CAP-RH36KNOB-TOP VALVE, (4)40WCI 31600924242WCI 313124144WCI 313146846JEWEL LENS-AMBER47RETAINER, CLOCK GLASS, (2)